Copyright Ⓒ KoreanSolarEnergySociety
ABSTRACT
1. 서 론
2. 면적 변화에 따른 창호 에너지성능평가
3. 건물에너지 성능 분석
4. 결 론
1. 서 론
창호의 성능기준 강화는 제도권 아래 지속적으로 진행되고 있다. 최근 고시된 친환경주택 설계기준 가운데 중부 1 지역의 경우 0.8 W/m2 ·K까지 단열성능이 강화될 예정이고 학계에서는 창호의 태양열 획득계수(이하 SHGC)가 U-value보다 에너지사용량 절감에 지배적 요인이 될 수 있음을 지속적으로 언급됨에 따라 SHGC 또한 제도권내에 추가 도입될 예정이다1,2). 위와 같이 정부나 학계 에선 창호의 에너지성능에 대한 규제 및 이론적 연구가 보다 심도 깊게 다루어지고 있다. 그러나 실제 법규나 제도 등을 통해 발생되는 창호 시장의 실질적 문제점들은 개선, 반영되지 못하고 있는 실정이다.
창호의 성능은 에너지소비효율등급제를 통해 분류되며 각 항목을 평가 받기위해선 KS 기준, 표준시료를 제작하여 정해진 절차에 의해 도출된다. KS F 2278에서는 창호의 단열성 시험방법을 기술하고 있으며 항온실과 저온실을 통해 겨울철 실내외 온도조건을 구현하고 표준 시료 크기인 2 m × 2 m의 시험체에서 U-value에 대한 성능을 시험한다3). 에너지소비효율등급제에 포함되어있진 않지만 창호의 에너지적 측면에서 지대한 영향을 미치는 SHGC 또한 KS L 9107 솔라 시뮬레이터에 의한 태양열 취득률 측정 시험방법 중 열량수집상자의 크기를 1.5 m × 1.5 m 이상으로 규정하여 시험체의 최소 규격을 제시하고 있다4). 그러나 실제 현장에 시공되는 창호는 위와 같이 기술된 표준크기와는 다른 규격의 제품이 설치되는게 일반적이다.
창호는 프레임과 유리로 구성된 복합부재로, 통상적으로 볼 때 유리가 프레임보다 열적성능이 뛰어나며, 면적이 커질수록 유리면적비가 증대되어 U-value가 향상될 뿐만 아니라 SHGC에 대한 성능도 높아진다. 허나 반대로 면적이 감소할 경우 성능이 저하될 수 있으며 이는 설계자가 초기설계 단계에서 계획한 건물의 에너지성능을 만족시킬 수 없는 불확실성을 초래할 수 있다.
이와 관련된 연구로 Jang et al.5)은 창호 크기와 창유리의 성능 변화가 창호 열관류율에 미치는 영향에 대한 상관관계에 대해 연구하였다. Mun et al.6)은 창호의 크기 변화시 고정창에 대한 열관류율 변화를 연구하였다. 그러나 이들 연구에서는 창호의 단열성능인 열관류율에만 초점을 맞춰 연구되었으며 열획득요소인 SHGC와 건물에 적용되었을 경우 미치는 영향에 대해서는 분석되지 않았다. 따라서 본 연구에서는 임의의 창호를 선택하여 KS F 2278과 KS L 9107을 포함한 성능인증 규격 기준과 면적 변화에 따른 성능차를 검토하고 KS F 2278 기준규격으로 도출된 단열 및 SHGC 성능과 실제 치수를 통해 검토된 창호의 성능을 공동주택에 적용시 냉난방부하에 미치는 영향을 시뮬레이션 툴을 통해 평가하고자 한다.
본 논문은 시뮬레이션 분석에 기초한 연구이며, 창호의 단열성능 기준인 KS F 2278과 태양열취득율 기준인 KS L 9107에 근거한 표준시료 크기 및 실제 현장에서의 창호 크기에 따른 성능 비교는 LBNL에서 개발해 무료 배포하고 있는 WINDOW&THERM 7.4 프로그램을 이용하였다7). 건물에너지 동적해석은 EnergyPlus를 활용하고 WINDOW&THERM 7.4의 분석 결과를 공동주택 창호에 적용하여 연간 냉난방부하를 중심으로 비교 분석하였다8).
2. 면적 변화에 따른 창호 에너지성능평가
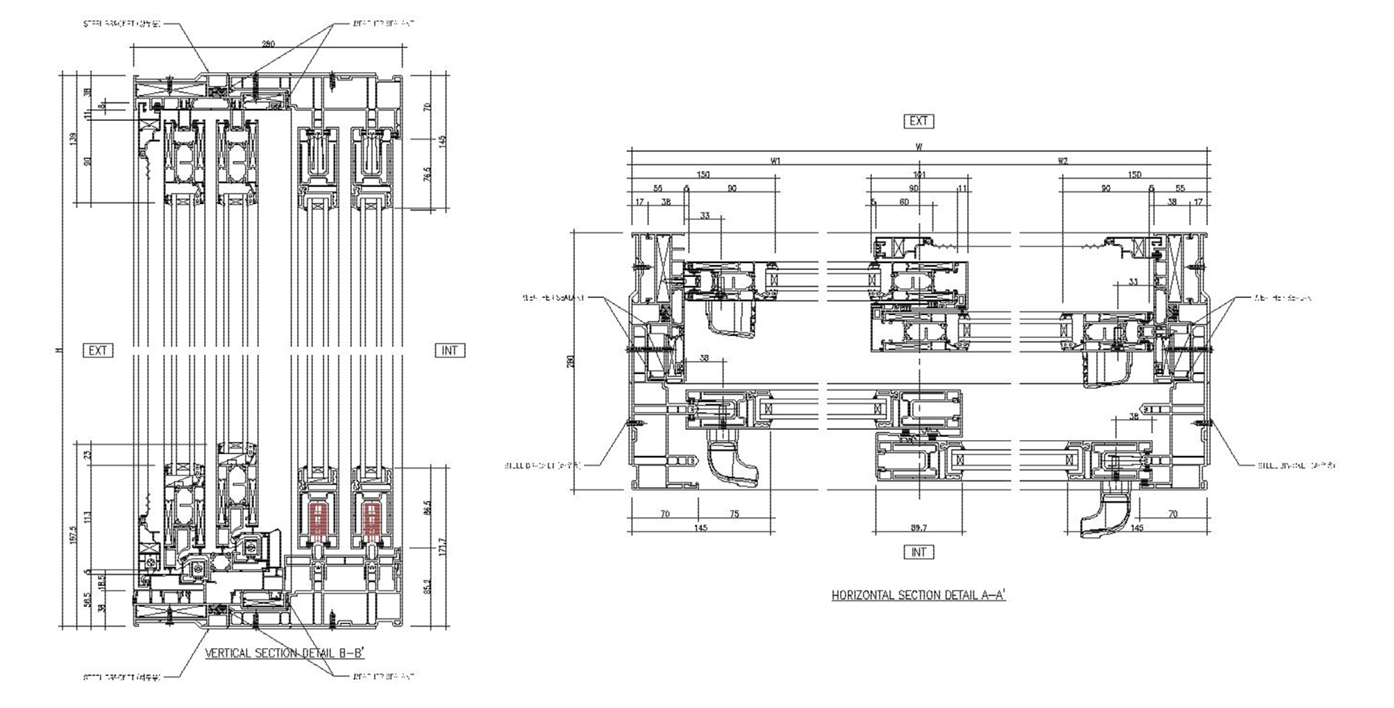
창호는 알루미늄과 PVC가 복합적으로 구성되어있는 이중창을 임의로 선정하고, 창유리(Glazing)는 국내 H사에서 시판중인 유리를 조합하여 구성하였다. 분석은 Fig. 1에서 표기된 폭(W)과 길이(H)를 2 m × 2 m에서 각각 0.1 m씩 증가 또는 감소시켜 U-value와 SHGC에 대한 성능을 비교분석하였다.
창유리는 일반적인 5 mm 단판유리와 5 mm PLA FNⅡ가 사용되었고 유리사이에는 Argon이 90% 함유된 기체를 적용하였다. Low-e코팅은 한정된 조합구성 내에서 SHGC 성능을 극대화 시킬 수 있도록 Fig. 2와 같이 #3과 #7면에 적용시켰다. 분석에 사용된 창호의 상세도면은 Fig. 3과 같으며, 창유리 조합은 Table 1과 같다.

Fig. 2.
Glazing section plan
Table 1 Glazing structure
|
Category
|
Outer window
|
Inner window
|
|
Glass1
|
Gap1
|
Glass2
|
Glass3
|
Gap2
|
Glass4
|
|
Thickness (mm)
|
5
|
14
|
5
|
5
|
12
|
5
|
|
Composition
|
HanGlas Clear
|
Air (10%) / Argon (90%)
|
PLA FNⅡ
|
HanGlas Clear
|
Air (10%) / Argon (90%)
|
PLA FNⅡ
|
|
U-value (SHGC)
|
0.632 (0.463)
|
Table 2는 THERM 7.4를 통해 분석한 프레임과 유리 가장자리 부위의 성능 분석 결과이다. 위에서 언급된 0.632 W/m2·K의 창유리 조합을 적용한 프레임은 1.361 ~ 2.815 W/m2·K 범위의 열적성능을 나타냈다. 유리 가장자리는 부위별로 0.934 ~ 1.113 W/m2·K로 분석되었다. 창호의 부위별 해석 모델은 Figs. 4 ~ 10과 같다.
Table 2 Frame performance for each area
|
Category
|
U-value
|
Frame height (mm)
|
|
Frame
|
Edge
|
|
Head
|
Left
|
2.815
|
1.074
|
152.0
|
|
Right
|
1.726
|
1.086
|
152.5
|
|
Jamb
|
Left
|
2.693
|
0.973
|
158.0
|
|
Right
|
1.700
|
1.008
|
158.0
|
|
Sill
|
Left
|
1.892
|
1.113
|
182.5
|
|
Right
|
1.574
|
0.934
|
205.5
|
|
Meeting Rail
|
1.361
|
0.970
|
111.0
|

Fig. 4.
Left head modeling

Fig. 5.
Right head modeling

Fig. 6.
Left jamb modeling

Fig. 7.
Right jamb modeling

Fig. 8.
Left sill modeling

Fig. 9.
Right sill modeling

Fig. 10.
Meeting rail modeling
KS F 2278에서 제시하고 있는 표준규격인 2 m × 2 m를 기준으로 폭(W)과 길이(H)를 0.1 m 간격으로 감소시켜 U-value와 SHGC에 대한 성능을 비교 정리한 것이 Table 3이다. 유리면적이 상대적으로 가장 큰 2 m × 2 m의 창세트 조합은 1.158 W/m2·K의 단열성능과 0.316의 SHGC를 나타내지만, 1 m × 1 m의 경우 폭과 길이가 감소함에 따라 성능이 저하되어 1.559 W/m2·K, SHGC는 0.199로 나타나 단열성능은 약 35%, SHGC는 약 37% 감소되었다. 이는 난방이 중심인 공동주택의 에너지 성능에 부정적인 영향을 줄 것으로 판단된다.
Table 3 Window Performance due to area reduction Uint : W/m2·K (SHGC)
|
Width (m)
|
|
2.0
|
1.9
|
1.8
|
1.7
|
1.6
|
1.5
|
1.4
|
1.3
|
1.2
|
1.1
|
1.0
|
Height
(m)
|
2.0
|
1.158
(0.316)
|
1.173
(0.312)
|
1.188
(0.307)
|
1.206
(0.302)
|
1.226
(0.297)
|
1.248
(0.291)
|
1.274
(0.283)
|
1.303
(0.275)
|
1.338
(0.266)
|
1.379
(0.254)
|
1.428
(0.241)
|
|
1.9
|
1.169
(0.313)
|
1.183
(0.309)
|
1.198
(0.304)
|
1.216
(0.299)
|
1.235
(0.294)
|
1.257
(0.288)
|
1.283
(0.281)
|
1.312
(0.273)
|
1.346
. (0.263)
|
1.386
(0.252)
|
1.435
(0.238)
|
|
1.8
|
1.180
(0.309)
|
1.194
(0.305)
|
1.209
(0.301)
|
1.226
(0.296)
|
1.246
(0.291)
|
1.268
(0.285)
|
1.292
(0.278)
|
1.321
(0.270)
|
1.355
(0.260)
|
1.395
(0.249)
|
1.442
(0.236)
|
|
1.7
|
1.193
(0.305)
|
1.206
(0.302)
|
1.221
(0.297)
|
1.238
(0.293)
|
1.257
(0.287)
|
1.279
(0.281)
|
1.303
(0.275)
|
1.332
(0.267)
|
1.365
(0.257)
|
1.404
(0.246)
|
1.451
(0.233)
|
|
1.6
|
1.207
(0.301)
|
1.220
(0.298)
|
1.235
(0.293)
|
1.252
(0.289)
|
1.270
(0.283)
|
1.292
(0.278)
|
1.316
(0.271)
|
1.344
(0.263)
|
1.376
(0.254)
|
1.415
(0.243)
|
1..461
(0.230)
|
|
1.5
|
1.223
(0.296)
|
1.236
(0.293)
|
1.251
(0.289)
|
1.267
(0.284)
|
1.285
(0.279)
|
1.306
(0.273)
|
1.330
(0.267)
|
1.357
(0.259)
|
1.389
(0.250)
|
1.426
(0.239)
|
1.472
(0.227)
|
|
1.4
|
1.242
(0.291)
|
1.255
(0.287)
|
1.269
(0.283)
|
1.285
(0.279)
|
1.302
(0.274)
|
1.323
(0.268)
|
1.346
(0.262)
|
1.372
(0.254)
|
1.403
(0.246)
|
1.440
(0.235)
|
1.484
(0.223)
|
|
1.3
|
1.263
(0.285)
|
1.276
(0.281)
|
1.289
(0.277)
|
1.305
(0.273)
|
1.322
(0.268)
|
1.342
(0.263)
|
1.364
(0.256)
|
1.390
(0.249)
|
1.420
(0.240)
|
1.456
(0.230)
|
1.499
(0.218)
|
|
1.2
|
1.288
(0.277)
|
1.300
(0.274)
|
1.313
(0.270)
|
1.328
(0.266)
|
1.345
(0.261)
|
1.364
(0.256)
|
1.386
(0.250)
|
1.411
(0.243)
|
1.440
(0.234)
|
1.474
(0.225)
|
1.516
(0.213)
|
|
1.1
|
1.318
(0.269)
|
1.329
(0.265)
|
1.342
(0.262)
|
1.356
(0.258)
|
1.372
(0.253)
|
1.390
(0.248)
|
1.411
(0.242)
|
1.435
(0.235)
|
1.463
(0.227)
|
1.496
(0.218)
|
1.535
(0.207)
|
|
1.0
|
1.353
(0.258)
|
1.364
(0.255)
|
1.376
(0.252)
|
1.389
(0.248)
|
1.405
(0.244)
|
1.422
(0.239)
|
1.442
(0.233)
|
1.464
(0.226)
|
1.491
(0.219)
|
1.522
(0.210)
|
1.559
(0.199)
|
또한 이러한 성능 감소현상은 열적성능이 뛰어난 고성능 유리가 사용되거나 저성능 프레임이 적용될수록 면적 감소대비 U-value의 성능저하 폭이 증대될 수 있다.
Table 3에서 창의 높이 대비 폭이 감소할수록 미세하게 높은 성능 저하가 나타나는 것을 알 수 있는데 ,이는 연구에 활용된 창호가 높이에 대한 프레임 면적 감소 비율이 높기 때문인 것으로 분석되었다.
Table 4는 2 m × 2 m의 창세트를 0.1 m 간격으로 폭(W)과 길이(H)를 증가시켜 도출한 U-value와 SHGC의 성능결과이다. 3 m × 3 m 크기의 창세트는 0.997 W/m2·K의 단열성능과 0.361의 SHGC를 나타냈으며 2 x 2 m 규격과 비교하면 단열성능과 SHGC가 각 각 약 14%가 향상되었다.
Table 4 Window Performance as area increases Uint : W/m2·K (SHGC)
|
Width (m)
|
|
3.0
|
2.9
|
2.8
|
2.7
|
2.6
|
2.5
|
2.4
|
2.3
|
2.2
|
2.1
|
2.0
|
Height
(m)
|
3.0
|
0.997
(0.361)
|
1.004
(0.360)
|
1.011
(0.358)
|
1.018
(0.355)
|
1.027
(0.353)
|
1.036
(0.351)
|
1.045
(0.348)
|
1.056
(0.345)
|
1.067
(0.342)
|
1.080
(0.338)
|
1.094
(0.335)
|
|
2.9
|
1.002
(0.360)
|
1.009
(0.358)
|
1.016
(0.356)
|
1.023
(0.354)
|
1.031
(0.352)
|
1.040
(0.349)
|
1.050
(0.347)
|
1.060
(0.344)
|
1.072
(0.341)
|
1.084
(0.337)
|
1.098
(0.333)
|
|
2.8
|
1.007
(0.358)
|
1.014
(0.357)
|
1.021
(0.355)
|
1.028
(0.353)
|
1.037
(0.350)
|
1.045
(0.348)
|
1.055
(0.345)
|
1.065
(0.342)
|
1.077
(0.339)
|
1.089
(0.336)
|
1.103
(0.332)
|
|
2.7
|
1.013
(0.357)
|
1.019
(0.355)
|
1.026
(0.353)
|
1.034
(0.351)
|
1.042
(0.349)
|
1.051
(0.346)
|
1.060
(0.344)
|
1.071
(0.341)
|
1.082
(0.338)
|
1.094
(0.334)
|
1.108
(0.330)
|
|
2.6
|
1.019
(0.355)
|
1.026
(0.353)
|
1.033
(0.351)
|
1.040
(0.349)
|
1.048
(0.347)
|
1.057
(0.344)
|
1.066
(0.342)
|
1.077
(0.339)
|
1.088
(0.336)
|
1.100
(0.333)
|
1.114
(0.329)
|
|
2.5
|
1.026
(0.353)
|
1.032
(0.351)
|
1.039
(0.349)
|
1.047
(0.347)
|
1.055
(0.345)
|
1.063
(0.343)
|
1.073
(0.340)
|
1.083
(0.337)
|
1.094
(0.334)
|
1.106
(0.331)
|
1.120
(0.327)
|
|
2.4
|
1.033
(0.351)
|
1.039
(0.349)
|
1.046
(0.347)
|
1.054
(0.345)
|
1.062
(0.343)
|
1.070
(0.341)
|
1.079
(0.338)
|
1.090
(0.335)
|
1.101
(0.332)
|
1.113
(0.329)
|
1.126
(0.325)
|
|
2.3
|
1.041
(0.349)
|
1.047
(0.347)
|
1.054
(0.345)
|
1.061
(0.343)
|
1.069
(0.341)
|
1.078
(0.338)
|
1.087
(0.336)
|
1.097
(0.333)
|
1.108
(0.330)
|
1.120
(0.327)
|
1.133
(0.323)
|
|
2.2
|
1.049
(0.346)
|
1.055
(0.344)
|
1.062
(0.343)
|
1.070
(0.341)
|
1.077
(0.338)
|
1.086
(0.336)
|
1.095
(0.333)
|
1.105
(0.331)
|
1.116
(0.328)
|
1.128
(0.324)
|
1.141
(0.321)
|
|
2.1
|
1.058
(0.344)
|
1.065
(0.342)
|
1.071
(0.340)
|
1.079
(0.338)
|
1.086
(0.336)
|
1.095
(0.333)
|
1.104
(0.331)
|
1.114
(0.328)
|
1.124
(0.325)
|
1.136
(0.322)
|
1.149
(0.318)
|
|
2.0
|
1.069
(0.341)
|
1.075
(0.339)
|
1.082
(0.337)
|
1.089
(0.335)
|
1.096
(0.333)
|
1.105
(0.331)
|
1.114
(0.328)
|
1.123
(0.325)
|
1.134
(0.322)
|
1.146
(0.319)
|
1.158
(0.316)
|
위와 같은 해석결과 등을 통해 동일한 유리 조합과 프레임이 적용된 창호라도 면적과 구성하는 재료의 비율이 변화함에 따라 성능의 변화가 크게 발생할 수 있음을 확인하였다.
3. 건물에너지 성능 분석
분석 대상 건물은 Fig. 11과 같은 141 m2의 면적을 갖는 정남향의 공동주택 중간층으로 하였으며 재실인원은 3인 기준으로 분석하였다. 재실 및 조명, 기타 발열기기에 관한 운영스케줄은 Park et al.9)의 연구 자료를, 침기량은 Yoon et al.10)의 연구 중 신축공동주택 평균 침기량의 데이터를 인용하였다. 건물의 단열기준은 건축물의 에너지절약설계기준에 고시된 중부1지역을 기준으로 한정하였다. 기상데이터는 한국태양에너지학회의 서울지역 표준기상데이터를 사용하였으며 HVAC 시스템은 냉·난방 부하가 무한의 용량에 가상 공조시스템으로 처리되도록 Ideal Load Air System으로 설정했다. 자세한 시뮬레이션 제원은 Table 5와 같다.

Fig. 11.
Floor Plan of reference model
Table 5 Simulation input data
|
Parameter
|
Value
|
Remark
|
|
Infiltration (ACH50)
|
3.5
| |
|
Occupancy density (People/m2)
|
0.0213
|
3 People
|
|
Lighting density (W/m2)
|
4
|
Annual Consumption 744 kWh
|
|
Appliance density (W/m2)
|
Infer from National statistical office’s data
|
Annual Consumption 2,384 kWh
|
|
Heating set point temperature (°C)
|
24
| |
|
Cooling set point temperature (°C)
|
28
| |
시뮬레이션에 적용된 창호 성능은 Table 3의 KS F 2278, 2 m × 2 m 의 시험체 표준규격과 Table 6과 같이 실 치수에 따른 창호성능 두 가지로 비교분석하였다. KS F 2278 규격 창호는 1.158 W/m2·K, SHGC 0.316의 성능을 보인 반면 실 치수에 근거한 해석 창호는 1.039 ~ 1.633 W/m2·K, SHGC 0.164 ~ 0.345의 편차를 나타냈다. 이중 특정 창호는 단열성능이 약 10%, SHGC는 약 9% 높은 것으로 분석되었으나 해당 모델을 제외한 나머지 모델의 경우는 단열 약 1 ~ 41%, SHGC 약 3 ~ 48% 감소된 것으로 검토되었다.
Table 6 Window performance of reference model by actual measurement
|
No.
|
Dimension
|
Performance
|
|
Width (m)
|
Height (m)
|
Area (m2)
|
U-value
|
SHGC
|
VT
|
|
W1
|
0.92
|
1.37
|
1.26
|
1.530
|
0.200
|
0.256
|
|
W2
|
1.82
|
2.12
|
3.86
|
1.174
|
0.305
|
0.410
|
|
W3
|
3.32
|
2.12
|
7.04
|
1.039
|
0.345
|
0.466
|
|
W4
|
1.82
|
2.12
|
3.86
|
1.174
|
0.305
|
0.410
|
|
W5
|
1.82
|
2.12
|
3.86
|
1.174
|
0.305
|
0.410
|
|
W6
|
1.52
|
1.22
|
1.85
|
1.355
|
0.251
|
0.329
|
|
W7
|
1.52
|
0.62
|
0.94
|
1.633
|
0.164
|
0.203
|
|
W8
|
0.92
|
1.22
|
1.12
|
1.552
|
0.193
|
0.246
|
|
W9
|
0.92
|
2.32
|
2.13
|
1.458
|
0.224
|
0.292
|
|
W10
|
0.92
|
1.22
|
1.12
|
1.552
|
0.193
|
0.246
|
식(1)과 같이 창호 전체의 상당열관류율로 분석한 결과 실 치수 모델의 분석결과는 1.237 W/m2·K으로 약 7%의 단열성능이 저하를 나타냈으며 식(2)를 통해 도출된 SHGC는 0.286으로 약 9% 감소하였다.
|
$$U_t=\frac{{\displaystyle\sum_{}^{}}U_{W1}A_{W1}+{\displaystyle\overset{}{\underset{}{\sum U_{W2}A_{W2}+\sum_{}^{}U_{W3}A_{W3}\dots\sum_{}^{}U_{W10}A_{W10}}}}}{A_t}$$
|
(1)
|
|
$$SHGC_t=\frac{{\displaystyle\sum_{}^{}}SHGC_{W1}A_{W1}+{\displaystyle\overset{}{\underset{}{\sum SHGC_{W2}A_{W2}+\sum_{}^{}SHGC_{W3}A_{W3}\dots\sum_{}^{}SHGC_{W10}A_{W10}}}}}{A_t}$$
|
(2)
|
공동주택의 동적 해석 모델은 전체 창면적이 27.1 m2이며, 정남향의 창이 19.9 m2으로 약 73%의 비중을 차지하였다. 총 벽체면적 대비 창면적비(WWR)는 28.6%였으며 바닥면적 대비 창면적은 19.3%를 나타냈다. 분석 모델의 상세한 창 면적비율은 Table 7과 같다.
Table 7 Window area and ratio according to direction
|
Window Area (m2)
|
WWR (%)
|
WFR (%)
|
|
North
|
5.3
|
5.6
|
3.8
|
|
East
|
1.9
|
2.0
|
1.4
|
|
South
|
19.9
|
21.0
|
14.1
|
|
Total
|
27.1
|
28.6
|
19.3
|
Fig. 12와 13 그리고 Table 8은 KS F 2278의 창호 시험체 표준규격 성능이 적용된 창호와 실측 치수를 토대로 분석된 창호 성능 적용 모델의 냉난방부하 비교분석 결과이다. 통상적으로 실제 건물의 설계시 일괄 적용되는 KS F 2278 표준규격 성능을 적용한 공동주택 모델의 경우 연간 1,768 kWh의 난방부하와 1,114 kWh의 냉방부하를 발생시켰으며 총 냉난방부하는 2,882 kWh를 나타냈다. 비교 모델인 실측 치수를 토대로 해석된 창호성능 적용 모델의 경우 냉방 부하가 718 kWh로 표준 규격 성능 대비 36% 감소하였으나, 난방부하는 3,128kWh로 나타나 난방부하만으로 표준 규격의 성능을 일괄 적용한 공동주택의 냉난방부하 최대치를 9% 초과하는 것으로 나타났으며, 총 냉난방부하는 3,946 kWh로 서로 간의 총량 비교시 33%의 차를 발생시켰다.

Fig. 12.
Monthly heating load

Fig. 13.
Monthly cooling load
Table 8 Annual heating & cooling load of reference modellabel>
|
Actual measurement performance
|
KS F 2278 Standard Performance
|
|
Heating Load
|
3,128
|
1,768
|
|
Cooling Load
|
718
|
1,114
|
|
Total Load
|
3,846
|
2,882
|
위와 같은 결과를 통해 알 수 있듯이 KS F 2278을 기준으로 도출된 창호성능을 건물에 적용하여 건물에너지 부하를 검토 할 경우 실제 에너지성능 결과와 다른 오차를 발생시킬 수 있으며 이는 에너지절감이나 제로에너지를 고려한 건물 설계시 치명적인 결함을 발생시킬 수 있음을 인지하여야 한다.
따라서 이러한 문제 발생을 해결하고, 보다 정확도 높은 창호의 성능을 소비자 또는 설계자에게 제공하기 위해선 실제 제품규격과 동일한 창호시뮬레이션 자료가 함께 표기되어야 할 것으로 사료된다.
4. 결 론
본 연구는 KS F 2278과 KS L 9017을 포함하는 창호 성능인증 규격 기준과 면적 변화에 따른 성능차를 비교 분석한 후, 창호의 표준 크기와 실제 크기를 고려한 창호성능에 대하여 중대형 규모의 공동주택을 대상으로 냉난방부하를 시뮬레이션을 통해 비교 분석한 것이다. 그 결과를 요약하면 다음과 같다.
(1)창호는 프레임 대비 유리의 열적 성능이 우수함으로 면적이 감소함에 따라 성능이 저하되었으며, 본 연구에서 적용된 복합창호에선 KS F 2278의 표준규격인 2 m × 2 m 기준 대비 1 m × 1 m의 창이 단열성능 약 35%, SHGC는 약 37%가 감소하는 것으로 나타났다.
(2)KS F 2278의 표준규격인 2 m × 2 m 기준 대비 3 m × 3 m 창의 단열성능과 SHGC는 각 각 약 14% 성능 향상이 있었다.
(3) KS F 2278을 통해 도출된 창호의 단열 및 SHGC 성능을 일괄 적용한 공동주택 모델과 실제 치수를 토대로 고려한 해석모델의 냉난방부하 비교결과 실제 치수를 고려한 모델의 냉방은 약 36% 감소하였으나, 난방부하는 약 77%가 증가, 총 냉난방부하는 33% 증가하였다.
이상의 연구결과를 통해 창호의 면적변화에 따른 성능차가 크게 발생하는 것을 확인하였다. 또한 창호의 성능이 KS F 2278과 KS L 9017과 같이 정해진 표준규격에 의해 평가될 경우 실제 제품과 성능 왜곡현상이 발생할 가능성이 존재함에 따라 새로운 평가기준이 추가 제시되어야 할 것으로 사료된다.
향후 제로에너지 건물이 의무화될 때 현행 기준으로만 평가를 할 경우 실질적인 제로에너지 건물 구현에 분명한 한계가 나타날 것으로 판단되는 바, 이에 대한 심도 깊은 연구가 추가되어야 할 것이다.
추후 보다 다양한 용도의 건물과 다양한 창면적비(WWR) 또는 바닥면적비(WFR)에 따른 영향 분석을 수행해 나갈 계획이다.
Acknowledgements
본 연구는 국토교통부 주거환경연구사업의 연구비지원(19RERP-C146906-02)에 의해 수행되었습니다.
References
Ministry of Land, Infrastructure and Transport (MOLIT), Act on Supporting Green Building construction, Korea National Law, No. 16418, 2019.
Ministry of Land, Infrastructure and Transport (MOLIT), Building Energy Saving Design Criteria, Ministry of Land, Infrastructure and Transport Notice, No. 2017-881, 2017.
Korean Agency for Technology and Standard, Standard test method for thermal resistance for windows and doors(KS F 2278), Korean Industrial Standards, 2017.
Korean Agency for Technology and Standard, Testing method for the determination of solar heat gain coefficient of fenestration product using solar simulator (KS L 9107), Korean Industrial Standards, 2014.
Jang, H. I., Choi W. K., Choi, G. S., Eom, J. Y., Lee, H. S., and Suh, S. J., A Study on the Influence of the U-value According to the Window Size and Performance, Journal of Korean Institute of Architectural Sustainable Environment and Building Systems, Vol. 8, No. 1, pp. 14-20, 2014.
Mun, J. H., A Study on U-value Variations of Fixed Windows according to the Window Size Variations, Journal of Korean Institute of Architectural Sustainable Environment and Building Systems, Vol. 13, No. 1, pp. 70-80, 2019.
Mitchell, R., Kohler, C., Curcija, D., Zhu, L., Vidanovic, S., Czarnecki, S., Arasteh, D. THERM 7 / WINDOW 7 NFRC Simulation Manual, Lawrence Berkeley National Laboratory Documentation, 2017.
Lawrence Berkeley National Laboratory, Energy Plus Manual, Energy Plus™Version 9.2.0 Documentation, 2019.
Park, S. H. and Yee J. J., A Study on Making Occupancy, Lights and Equipments Schedule of Apartment Housing, Journal of the Architectural Institute of Korea Planning & Design, Vol. 30, No. 8, pp. 57-64, 2014.
10.5659/JAIK_PD.2014.30.8.57Yoon, J. O., Field Measurement of Infiltration in New Apartments using De-pressurization Method, Korea Institute of Ecological Architecture and Environment, Vol. 13, No. 3, pp. 27-32, 2013.
10.12813/kieae.2013.13.3.027