1. 서 론
2. 태양열 시스템의 구성
2.1 태양열 집열기
2.2 계간축열조
2.3 기타 기기
2.4 제어방식
3. 측정 데이터 분석
3.1 집열펌프 및 축열펌프의 동작
3.2 집열량 및 축열량(생산열량)의 분석
3.3 집열효율 및 생산효율
4. 결 론
기호설명
A :태양열 집열기 면적[m2]
Cp :비열[kJ/kg℃]
F :유량[Liter/minute]
I :일사량[W/m2]
P :순환펌프
Q :열량[kW]
T :온도[℃]
그리스 문자
η :효율[%]
ρ :밀도[kg/m3]
하첨자
c :집열회로
e :진공관형
f :평판형
i, o :입구 및 출구
s :축열회로
1. 서 론
국내 보급된 태양열 시스템 대부분은 가정용 소규모 자연순환식 태양열 온수기이며, 중대규모 태양열 시스템 설치사례는 드물다. 중대규모에서는 펌프를 이용하여 집열매체를 강제순환시키는 설비형 시스템이 채택되므로 제어기 등이 추가되고, 온수 수요가 적은 여름철에는 잉여 열에너지가 많이 발생하여 유지관리에 특히 유의해야 할 필요가 있다. 따라서 연중 온수 수요량이 많거나 유지관리 체계를 갖출 수 있는 곳에서만 중대규모 태양열 시스템이 설치되는 것이 바람직하며, 이 경우 친환경적인 방법으로 열에너지를 생산할 수 있어 신재생에너지 보급 확대 및 기후변화대응에 크게 기여할 수 있다.
태양열 시스템에서의 여름철 잉여 열에너지는 과열에 따른 파손을 초래하기 때문에 겨울철 동파와 마찬가지로 매우 유의해야 한다. 따라서 중규모 이상의 태양열 시스템에서는 냉각방안 적용이 의무화되어 있으며, 저온흡수식 또는 제습 냉방기를 활용하여 잉여 열에너지를 냉방에 이용하기도 한다1). 중대규모 태양열 시스템에서 여름철 발생하기 쉬운 잉여 열에너지를 해소하는 또 하나의 방안으로 계간축열조(seasonal thermal energy storage)가 이용될 수 있다2). 계간축열조는 봄부터 가을까지 태양열 시스템에서 발생하는 잉여 열에너지를 저장하였다가, 열에너지 수요가 증가하는 겨울철에 이용하려는 목적으로 활용된다.
충북 혁신도시 내 수질복원센터 인근에는 미래부의 친환경에너지타운 시범사업이 추진되고 있다. 범정부 차원에서 진행되고 있는 친환경에너지타운 사업은, 주민기피 시설에 친환경에너지 설비를 구축함으로써 해당 지역을 에너지 생산기지로 전환시키려는 사업이다. 한국에너지기술연구원에서 주관하고 있는 미래부 시범사업에서는 대규모 태양열 시스템 등 다양한 신재생에너지 설비와 계간축열조 등을 이용하여, 생산된 친환경에너지를 인근 6개의 공공건물에 공급하는 실증연구를 내용으로 하고 있다3). 지난 ’16년 11월 말 모든 설비를 준공하였으며, 현재 각 신재생에너지 설비들에 대한 시운전을 수행하고 있다.
본 논문은 충북혁신도시 내 친환경에너지타운 실증단지에 설치된 대규모 태양열 시스템의 동작특성을, 시운전 데이터를 이용하여 확인하고 분석하는 것을 목적으로 하고 있다.
2. 태양열 시스템의 구성
실증단지는 태양열 기반 계간축열식 블록히팅(block heating) 시스템을 추구하고 있다. 즉 태양열 시스템에서 생산된 열에너지를 계간축열조에 저장하였다가 중앙공급 방식으로 각 공공건물에 공급하며, 부족한 경우 지열원 및 수열원 히트펌프 등을 보조열원으로 활용하는 것이다. 각 건물에서 예상되는 난방 및 온수급탕 총 부하는 연간 약 850 MWh이며, 이 중 약 70%인 600 MWh를 태양열 시스템을 통해 생산할 계획이다.
2.1 태양열 집열기
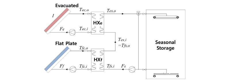
이러한 열량을 생산하기 위하여 평판형과 단일진공관형 집열기 등 두 종류 태양열 집열기를 각각 800 m2씩 모두 1,600 m2을 설치하였다. 태양열 시스템은 Fig. 1과 같이 평판형 및 진공관형 집열회로를 각각 분리하여 설치하였는데, 이것은 저온영역에서는 평판형 집열기가 그리고 고온영역에서는 진공관형 집열기가 더 효율이 높다는 각 집열기의 장점을 취하기 위해서였다. 즉 축열매체가 열교환기를 통해 집열기에서 생산된 열을 계간축열조로 전달할 때, 우선 평판형 집열회로의 열교환기(HXf)를 거쳐 승온되고, 이후 진공관형 집열회로의 열교환기(HXe)를 거치면서 더욱 가온되는 방식을 취하였다.
2.2 계간축열조
태양열 집열기를 통해 생산된 열을 저장하는 계간축열조는 물을 축열매체로 하는 수축열조이다. 직사각통형 계간축열조는 높이 10 m의 약 4,000 m3 용량인데, 온도성층화를 위하여 유입 또는 유출되는 물의 관성력을 줄일 수 있는 디퓨져(diffuser)를 상하 각각 2개씩 배치하였고 지중에 약 1/2이 묻혀있는 상태로 설치되었다.
2.3 기타 기기
Fig. 1과 같이 각 집열회로에서 집열매체인 브라인수용액과 축열매체인 물 사이의 열교환을 위한 두 대의 열교환기, 집열매체를 순환시키는 두 대의 집열펌프, 그리고 계간축열조와 두 대의 열교환기 사이로 축열매체를 순환시키는 한 대의 축열펌프 등이 설치되었다. 각 배관에는 현장지시형 온도계가 적절하게 설치되었으며, 성능측정을 위한 온도센서(RTD)와 압력센서, 그리고 각 집열회로에서의 집열매체 유량과 축열매체 유량을 측정하기 위한 3대의 전자기유량계가 설치되었다. 또한 태양열 집열기에 입사되는 수평면 및 경사면 일사량 측정을 위하여 일사량계 2대도 설치되었다. Fig. 2는 실증단지에 설치된 태양열 시스템 각 구성요소의 사진들이다.
2.4 제어방식
일반적인 설비형 태양열 시스템의 제어방식은 태양열 집열기 상단부 온도와 축열조 하단부 온도와의 차이가 일정 온도 이상인 경우 집열펌프와 축열펌프를 동작시키는 차온 제어방식을 취하고 있다4). 그러나 이러한 차온 제어방식을 적용하는 경우, 축열조 상단부 온도보다 낮은 온도의 축열매체가 유입되어 축열조의 온도성층화(thermal stratification)를 해치는 사태가 빈번하게 발생하는 것을 막을 수 없다. 또한 야간에 축열조 또는 배관 내 온수가 자연대류에 의해 역류하는 경우, 동작조건으로 오인되어 각 펌프가 동작과 정지를 반복하는 사례도 나타난다.
본 태양열 시스템에서는 이러한 현상을 근본적으로 방지하기 위해서 새로운 제어방식을 채택하였다. 우선 집열펌프의 동작조건을 일사량으로 하여, 일사량이 기준치(본 겨울철 시운전 과정에서는 400 W/m2) 이상인 경우 동작하도록 하였다. 한편 축열펌프는 태양열 집열기와 열교환기 사이를 순환하는 집열매체의 온도가 일정 온도 이상이 되면 동작하도록 제어하였다. 이때 기준이 되는 온도는 축열조에 저장하려는 축열매체 온도보다 5℃ 높도록 하였으며, 이로써 열교환기를 통해 축열조로 유입되는 축열매체 온도는 항상 기준온도 이상이 되도록 하였다. 기준온도는 계간축열조에서 부하측으로 공급하는 온수의 최저온도인 50℃로 하였다. 각 집열펌프 및 축열펌프는 기준온도 이상을 유지할 수 있도록 주파수 변화를 통해 펌프의 회전수를 조절하는 인버터 방식 유량제어가 이루어졌다.
3. 측정 데이터 분석
’16년 12월부터 실증단지 내 대규모 태양열 시스템에 대한 시운전이 수행되고 있다. 이 기간 중 각 펌프 동작조건이 되는 기준치에 대한 조정이 이루어졌으며 제어방식의 타당성 등을 검토하였다. Fig. 3은 시운전 기간 중 대표적인 날(’17.02.21)의 주간시간대 경사면 일사량과 외기온을 함께 나타낸 것으로, 이 날의 데이터를 바탕으로 태양열 시스템의 동작특성을 분석하고자 한다.
3.1 집열펌프 및 축열펌프의 동작
Fig. 4(a)는 집열펌프가 동작하기 전후의 집열기 내 집열매체 온도와 유량을 나타낸 것이다. 평판형은 3개 그리고 진공관형은 5개의 모듈로 분리되어 설치되었는데, 진공관형 각 모듈의 상부 배관 내 집열매체 온도를 나타낸 것이다. 집열기에 입사되는 일사량에 의해 집열매체 온도는 점차 상승하지만 집열펌프의 동작조건이 되는 일사량이 기준치 이하이기 때문에 집열매체는 순환하지 않다가, 일사량이 기준치를 초과하면 집열펌프가 동작하여 집열기 상단부 집열매체 온도가 급격히 낮아지는 것을 볼 수 있다.
Fig. 4(b)는 진공관형측 열교환기 1차측으로 유입되는 집열매체의 온도, 즉 집열기 출구에서의 집열매체 온도(Tec,o)와, 2차측으로 유입·유출되는 축열매체 온도(Tfs,i, , Tes,o) 및 유량을 보여주고 있다. 집열펌프가 동작한 후 집열매체 온도가 점차 상승하면서 열교환기 1차측 입구에서의 집열매체 온도가 55℃ 이상이 되는 경우 축열펌프가 동작하는 것을 알 수 있다. 즉 계간축열조에 기준온도인 50℃ 이상의 축열매체가 유입되도록 축열펌프가 제어되는 것이 확인되었다.
3.2 집열량 및 축열량(생산열량)의 분석
측정된 데이터를 이용하여 태양열 시스템의 집열량과 축열량을 다음과 같이 계산하였다. 집열량(Qc)이란 집열매체가 각 집열기를 순환할 때 얻은 열량으로서 평판형 집열기가 얻은 Qfc 와 진공관형 집열기가 얻은 Qec로 구분할 수 있으며, 축열량(Qs)은 열교환기를 통해 축열매체로 전달되어 축열조로 유입되는 열량으로 역시 같은 방법으로 구분된다.
(1)
(2)
(3)
(4)
식(1) ~ (4)를 이용하여 계산된 집열열량과 축열량을 시간에 따라 나타낸 것이 Fig. 5이다. 집열열량은 평판형 집열기가 더 많았지만, 축열량은 진공관형 집열기가 더 많았음을 확인할 수 있다.
3.3 집열효율 및 생산효율
집열기에 입사되는 일사량 대비 집열량을 의미하는 집열효율(ηc)과 축열량을 의미하는 생산효율(ηs)을 다음과 같이 정의하였다. 여기서 축열효율 대신에 생산효율이라는 단어를 쓴 이유는, 일반적으로 축열효율은 전술한 내용과는 다른 의미로 이용되기 때문이다.
(5)
(6)
식(1) ~ (6)을 이용하여 계산된 일일 집열량과 축열량, 그리고 일일 집열효율과 생산효율을 정리하면 Table 1과 같다.
4. 결 론
충북 혁신도시 내 친환경에너지타운 실증단지에 설치된 1,600 m2급 대규모 태양열 시스템의 동작특성에 대해 살펴보았다. 이 시스템에서는 집열펌프의 동작기준을 일사량으로, 그리고 축열펌프의 동작기준은 집열매체 온도로 하였다. 이러한 제어방식을 적용한 태양열 시스템의 대표적인 일일 데이터를 바탕으로 동작상태와 효율 등을 살펴보았으며, 결론은 다음과 같다.
(1) 일사량을 기준으로 집열펌프를 동작시키므로 야간의 오동작이 발생할 여지없이 예상대로 집열펌프가 동작하였다. 일사량이 기준치에서 변동하는 것에 대비하여 집열펌프의 최소 동작시간을 설정하였으므로, 빈번한 정지 및 동작은 발생하지 않았다.
(2) 축열펌프의 동작을 집열매체 온도를 기준으로 함으로써, 계간축열조 내 온도성층화를 크게 훼손하지 않고 생산된 열을 저장할 수 있었다.
(3) 일일 집열량과 축열량(생산열량)을 산정하였으며, 집열매체가 순환하는 동안에도 축열매체는 순환하지 않는 시간이 존재하므로, 당연히 축열량이 집열량보다 적었다.
(4) 평판형 집열기의 일일 집열량이 진공관형 집열기의 그것보다 많았으나, 유용한 생산열량(축열량)은 진공관형 집열기의 경우가 많았다.








