1. 서 론
2. 실험 및 측정
2.1 HWE에 의한 CaAl2Se4: Co 단결정 박막 성장 및 특성 평가
2.2 n-Si/p-CaAl2Se4: Co 이종접합 태양전지 제작 및 특성 평가
3. 실험 결과 및 고찰
3.1 CaAl2Se4: Co 다결정의 결정구조
3.2 HWE에 의한 CaAl2Se4: Co 단결정 박막의 성장 조건
3.3 CaAl2Se4: Co 단결정 박막의 화학 양론적 조성비
3.4 CaAl2Se4: Co 단결정 박막의 Hall 효과
3.5. CaAl2Se4: Co 단결정 박막의 광흡수 스펙트럼과 광학적 에너지갭
3.6 p-Si/n-CaAl2Se4: Co 이종 접합 태양 전지의 효율 및 특성
3.7 p-Si/n-CaAl2Se4: Co 이종 접합 태양전지의 J-V 특성, fill factor 및 효율
3.8 p-Si/n-CaAl2Se4: Co 이종 접합 태양 전지의 에너지 모델
4. 결 론
1. 서 론
CaAl2Se4는 I-III2-VI4족 화합물 반도체로서 상온에서 에너지 띠 간격이 3.32 eV인 직접천이형 반도체로서 photo-voltaic optical detectors1), solar cells2), light emitting diodes
(devices)3), solar energetic, optoelectronics, parametric oscillators4), various semiconductor devices5) 등에 응용성이 기대되어 주목되고 있는 물질이다. 따라서 양질의 CaAl2Se4 단결정을 성장하기 위한 방법과 그의 물성연구가 활발하게 진행되어 오고 있다. CaAl2Se4 단결정의 성장방법은 vertical Bridgman method6), iodine vapor transport method7), metalorganic molecular-beam epitaxy(MOMBE)8,9), hot wall epitaxy(HWE)10) 등이 있다. 이 방법들 가운데 HWE 방법은 증발원의 물질을 직접 가열하여 기체상태로 기판에 도달하고 응집되어 막이 성장되도록 하는 방법인데, 열역학적 평형상태에 가까운 조건에서 결정을 성장시키므로 양질의 박막을 만들 수 있고, 시료의 손실을 줄일 수 있으므로 대량으로 생산할 수 있다는 장점이 있다.
Bridgman-Stockbarger법11)으로 성장시킨 CaAl2Se4: Co단결정의 광학적 특성에 관한 연구는 이루어졌으나, 아직까지HWE 방법으로 성장시킨 CaAl2Se4 :Co 단결정 박막의 기본 물성 및 p-Si/n-CaAl2Se4:Co이종접합 태양전지 특성에 대한 연구는 되지 않았다.
본 연구에서는 수평 전기로를 제작하여 6N의 Ca, Al, Se 시료를 mole비로 칭량 하여 수평로에서 용융 성장법으로 CaAl2Se4다결정을 합성하였다. 합성된 다결정은 XRD (X-ray diffraction)로부터 결정 구조 및 격자 상수를 확인하였으며, EDX (Energy Dispersive X-ray Spectrometer)를 이용하여 성분 및 조성비를 확인하였다. CaAl2Se4 단결정 박막은 HWE 방법으로 합성된 CaAl2Se4 다결정을 증발원으로 하여 반절연성(semi-insulate: SI) Si(400) 기판 위에 성장시켰다. CaAl2Se4 단결정 박막의 결정성은 이중 결정 X-선 요동 곡선(double crystal X-ray rocking curve, DCRC)의 반폭치(FWHM)를 측정하여 알아보았다. Van der Pauw 방법으로 Hall 효과를 측정하여 운반자 농도(carrier density)와 이동도(mobility)의 온도 의존성도 연구하였다. 또한 CaAl2Se4: Co 단결정 박막을 태양 전지로 응용하기 위하여 hot wall epitaxy 방법으로 Si 기판위에 CaAl2Se4: Co 단결정 박막을 성장시켜 p-Si/n-CaAl2Se4: Co 이종 접합 태양 전지를 형성하여 spectral response, 전류-전압 및 출력 특성을 조사하여 태양 전지 효율을 구하였다.
2. 실험 및 측정
2.1 HWE에 의한 CaAl2Se4: Co 단결정 박막 성장 및 특성 평가
성분원소인 Ca (Aldrich, 6N), Al (Aldrich, 6N), Se (Aldrich, 6N)를 몰비로 칭량하고, Co (Aldrich, 6N) 0.5 wt% 칭량하여 세척된 석영관(외경 16 mm, 내경 10 mm)에 넣어 3×10-6 torr의 진공에서 봉입하여 ampoule을 만들었다. Fig. 1의 수평 전기로의 중앙에 넣고 1 rpm으로 노심관이 회전하도록 하면서 전기로의 온도를 상승시켰다. 온도 상승으로 인한 성분원소의 증기압 증가로 ampoule이 파괴되는 것을 방지하기 위해서 시간당 20℃로 올리면서 로 중심의 온도가 500℃에 도달하면 그 상태에서 24시간 유지시킨다. 그리고 ampoule을 좌우로 회전하면서 단위 시간당 10℃로 온도를 올리기 시작하여 1,050℃에 이르면 48시간 유지시킨 뒤 저속 DC 회전모터와 전원을 끄고, 24시간 동안 자연 냉각시킨 후 합성된 다결정을 꺼내어 HWE source용 CaAl2Se4 덩어리(ingot)를 제조하였다. 이때 합성된 CaAl2Se4:Co 덩어리(ingot)는 색깔이 없고 투명하였다.
CaAl2Se4:Co 단결정 박막성장은 Fig. 2와 같은 진공조 속의 hot wall 전기로와 기판으로 구성된 HWE 방법을 사용하였다. 증발원은 합성된 CaAl2Se4:Co 다결정의 분말을 사용하였고 반절연성 Si 기판과 증발원을 HWE 장치 속에 넣고 내부의 진공도를 10-6 torr로 배기시킨 후 증발원의 온도를 600℃, 기판의 온도를 440℃로 하여 0.5 µm/hr 성장속도로 성장하였다.
또한 합성된 다결정 CaAl2Se4:Co의 결정구조와 격자상수를 분말법을 이용하여 구하였으며, HWE 방법으로 성장된 CaAl2Se4: Co 단결정 박막의 결정성은 이중 결정 X선 회절 곡선(double crystal X-ray diffraction rocking curve, DCXD)의 반폭치(FWHM)를 측정하여 알아보았다. Hall 효과를 측정하기 위해 저온장치 속에 셀을 고정하고 셀에 인가된 전기장에 수직으로 2 KG의 전자석을 놓고 셀의 온도를 293 K에서 10 K까지 변화시키면서 Van der Pauw방법으로 Hall 효과를 측정하였다.
2.2 n-Si/p-CaAl2Se4: Co 이종접합 태양전지 제작 및 특성 평가
에칭된 n-Si 위에 Hot Wall Epitaxy 방법으로 CaAl2Se4:Co 박막을 성장하여 p-Si/n-CaAl2Se4:Co이종 접합 태양 전지를 형성하였다. n층 위에 ~10-6 torr 진공 속에서 indium를 증착한 후 Ar 분위기에서 3분간 열처리하여 ohmic contact이 되도록 하여 n층의 전극을 형성하고, p층은 Au wire로 전극을 부착하여 전극을 형성하여 Fig. 3와 같이 p-Si/n-CaAl2Se4:Co 이종 접합 태양 전지를 제작하였다.
p-Si/n-CaAl2Se4: Co이종접합 태양전지의 spectra response는 monochromator (Jarrell Ash, 82-020, 0.5 m), 300 nm~1300 nm의 광 영역에서 X-Y recorder (MFE, 8.5 M)를 이용하여 측정하여 기록하였으며, 전류-전압 특성 및 출력 특성은 80 mW/cm2 tungsten halogen lamp와 electrometer (Kikusui, DMZ-1400), curve tracer, oscilloscope를 이용하여 측정하였다.
3. 실험 결과 및 고찰
3.1 CaAl2Se4: Co 다결정의 결정구조
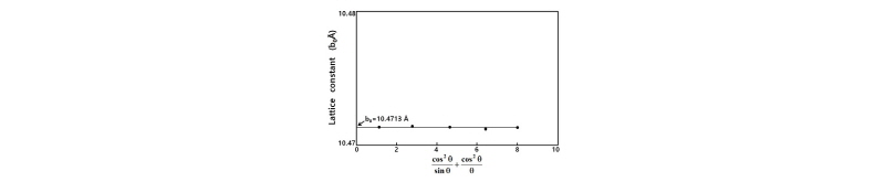
합성된 CaAl2Se4: Co다결정을 분말로 만들어 측정한 X-ray 회절 무늬를 Fig. 4에 보였다. Fig. 4의 X-ray 회절 무늬로부터 (hkl)은 면간격에 d에 의한 θ값이 JCPDS (Joint Committe on Power Diffraction Standards)와 일치하는 값들이어서 orthorhombic로 성장되었음을 알 수 있었고, 격자상수를 Nelson Riley 보정식에 의하여 값을 계산한 후 외삽법11)으로 구한 결과는 Figs. 5, 6 그리고 7에서 보는 것과 같이 a0=6.3252 Å, b0=10.4713 Å, 그리고 c0=10.5271 Å였다. 이 값은 Klee et al.5)이 보고한 격자 상수 ao=6.33Å, b0=10.48 Å, 그리고 Co=10.53 Å와 잘 일치함을 알 수 있었다.
3.2 HWE에 의한 CaAl2Se4: Co 단결정 박막의 성장 조건
CaAl2Se4: Co 단결정 박막의 최적 성장 조건은 이중 결정 X선 요동 곡선(double crystal X-ray rocking curve, DCRC)의 반폭치(FWHM)를 측정하여 알아보았다. Si 기판의 불순물을 제거하기 위하여 chemical etching한 후, 580℃에서 20분 동안 열처리한 Si 기판 위에 HWE 방법으로 CaAl2Se4: Co단결정 박막 성장하였다. 이때 HWE 시스템은 증발원 온도를 600℃, 기판 온도를 420~460℃로 변화시키면서 성장시켰다. 성장된 CaAl2Se4: Co 단결정 박막의 이중결정 X-선 회절곡선(DCRC)의 반폭치(FWHM)를 측정한 결과, Fig. 8과 같이 기판의 온도가 440℃일 때 반폭치(FWHM)값이 117 arcsec로 가장 작았다. 이와 같은 결과로부터 CaAl2Se4: Co 단결정 박막의 최적 성장 조건은 증발원의 온도가 600℃일 때 기판의 온도가 440℃임을 알 수 있었다. 이와 같은 최적 조건에서 5시간 30분 성장된 CaAl2Se4: Co 단결정 박막의 두께는 α-step profilometer로 측정한 결과 2.2 µm로 성장되었음을 알았다.
최적 조건하에서 성장된 CaAl2Se4: Co 박막의 결정구조 및 방위를 알아보기 위하여 XRD가 측정되었다. Fig. 9는 최적 조건에서 성장된 CaAl2Se4 박막의 XRD pattern을 보였다. 관측된 회절 peak는 CaAl2Se4 (004)면과 Si (400)면으로 성장된 박막은 CaAl2Se4 (004)면으로 성장되었음을 알았다. 또한 Fig. 9에서 보는 것처럼 CaAl2Se4 (004)면 이외의 다른 회절 peak가 보이지 않아 성장된 박막은 단결정 박막의 형태로 성장되었음을 확인할 수 있었으며 (004)면의 2
위치는 CaAl2Se4의 orthorhombic 구조를 갖는 면간 거리 34.06과 일치하는 곳에서 나타난 것으로 보아 CaAl2Se4 단결정 박막은 orthorhombic 구조로 성장되었음을 알 수 있었다. Fig. 10은 CaAl2Se4: Co 박막 표면의 SEM 사진인데, 아주 고르게 잘 성장되었음을 알 수 있었다.
3.3 CaAl2Se4: Co 단결정 박막의 화학 양론적 조성비
CaAl2Se4 다결정과 단결정 박막의 EDS 스펙트럼 성분 및 조성비 값을 Table 1에 보였다. EDS 스펙트럼은 6 N의 순도를 갖는 Ca, Al, Se에서 나오는 특성 X-선을 기준으로 하여 측정했으며, Ca과 Al은 L-선 특성 X-선을 이용하고, Se는 K-선의 특성 X-선을 사용하여 측정하였다. 다결정 및 단결정 박막의 starting element의 조성비와 결정의 조성비들이 ±1% 오차 범위에서 일치되고 있어 화학 양론적 조성비가 잘 이루어졌음을 알 수 있었다.
3.4 CaAl2Se4: Co 단결정 박막의 Hall 효과
성장된 CaAl2Se4: Co단결정 박막을 Van der Pauw 방법으로 Hall 효과를 293 K에서 30 K까지 온도 변화를 주면서 측정한 값들 중 이동도 µ값을 Fig. 11에 나타내었다. Fig. 11에서 보는 바와 같이 이동도가 상온에서는 296cm2/V․sec였으며, Fujita12)의 결과와 같이 100 K에서 293 K까지는 격자 산란(lattice scattering)에 기인한 것으로 여겨지며, 30 K에서 100 K까지는 불순물 산란(impurity scattering)에 의한 것으로 보인다. 상온에서 운반자 농도는 9.98 × 1016 cm-3였다. Carrier density는 온도에 대한 음의 지수 형태에 따라 변하고 있었으며, 이때에 온도 역수(1/T)에 대한 ln n 값은 Fig. 12와 같다. 활성화 에너지 Ed는 Fig. 11의 기울기에서 구한 결과 57.2 meV였다. 또한 Hall 효과 측정값으로 부터 Hall 계수들이 음의 값이어서 CaAl2Se4: Co 단결정 박막은 self activated(SA)에 기인하는 n형 반도체임을 알 수 있었다.
3.5. CaAl2Se4: Co 단결정 박막의 광흡수 스펙트럼과 광학적 에너지갭
CaAl2Se4 단결정 박막의 온도에 따르는 광흡수 스펙트럼을 293 K에서 10 K까지 온도를 변화시키면서 측정하여 Fig. 13에 보였다. CaAl2Se4 단결정 박막은 직접 천이형 반도체이기 때문에 Fig. 14의 광흡수 스펙트럼으로 부터 조사광의 에너지(
)에 대응하는 광흡수 계수(
)를 구하고 [13
]관계로 부터 구한 에너지 갭13)을 Table 2에 모았다.
Table 2 Peaks of optical absorption spectra according to temperature variation of single crystal CaAl2Se4: Co thin film ![]() |
Fig. 15는 CaAl2Se4: Co 단결정 박막의 흡수 곡선에 의한 direct band gap의 온도 의존성을 나타내고 있다. Direct band gap의 온도 의존성은 Varshni 식14)
(1)
을 잘 만족하고 있다. 여기서, Eg(0)은 0K에서의 에너지 갭, α와 β는 상수이며, Eg(0)는 3.8239 eV이고 α는 4.9823 × 10-3 eV/K, β는 559 K이다.
3.6 p-Si/n-CaAl2Se4: Co 이종 접합 태양 전지의 효율 및 특성
p-Si/n-CaAl2Se4: Co이종 접합 태양 전지의 Spectra response 제작된 p-Si/n-CaAl2Se4: Co이종 접합 태양 전지에 80 mW/cm2의 tungsten halogen lamp 백색광을 광원으로 monochromator의 300~1300 nm 영역까지 단색광을 조사하면서 Fig. 16과 같은 spectra response를 측정하였다.p-Si/n-CaAl2Se4 이종 접합 태양 전지의 spectra response는 300 nm에서부터 증가하기 시작하여 1300 nm에서 감소하는 비교적 넓은 광 영역을 가졌으며 파장이 381.3 nm에서 민감한 반응이 나타났다. 이와 같은 비교적 넓은 광 영역은 CaAl2Se4 층에 빛이 통과하여 Si 층에 도달되었음을 알 수 있었다. 전반적으로 spectrum peak는 CaAl2Se4: CO의 peak보다 장파장 쪽으로 옮겨 갔으며, 918 nm 이상에서 감소하였는데 이런 현상은 Si 층의 흡수단에 가까워지기 때문에 일어나는 현상으로 생각된다.
3.7 p-Si/n-CaAl2Se4: Co 이종 접합 태양전지의 J-V 특성, fill factor 및 효율
높은 효율의 태양전지는 좋은 다이오드 특성을 가질 때에만 가능하다. 즉 좋은 J-V특성을 보여야 한다. 또한 빛을 쪼여 주었을 때, J-V 곡선이 만드는 특성 곡선이 에너지 전환 효율뿐만 아니라 fill factor를 좌우하므로 매우 중요한 측정 중의 하나이다. 아울러 J-V 특성의 조사는 태양전지의 에너지 띠 구조를 짐작할 수 있게 해준다. 최적 성장 조건하에서 p-Si/n-CaAl2Se4: Co 이종 접합 태양전지를 제작하여 태양전지에 tungsten lamp에서 나온 80 mW/cm2 광을 조사시켜 측정한 J-V 특성 곡선은 Fig. 17과 같다.
Fig. 17에서 보는바와 같이 개방전압(Voc)은 0.49 V, 단락 전류 밀도(Jsc)는 28.9 mA/cm2이었다. Fig. 18의 J-V 특성 곡선으로 부터 출력 특성인 최대 출력점에서 전압(Vmp)은 0.42 V, 전류밀도(Jmp)는 25.3 mA/cm2이고 이때 fill factor는 F․F=JmpVmp /JscVoc에 의해서 0.75이며 태양전지 전력 변환 효율은 η=JmpVmp/Pin에 의해서 9.96%였다. 제작된 태양전지는 시일이 경과되면 태양 복사열에 의해 태양전지가 손상되어 수명이 급격히 감소하므로 공기의 접촉과 복사열을 방지할 수 있는 보호막(MgF)이 필요하다.
3.8 p-Si/n-CaAl2Se4: Co 이종 접합 태양 전지의 에너지 모델
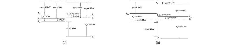
Fig. 19(a)는 Si와CaAl2Se4의 접합 전 에너지띠 모델을 나타내고 있고, Fig. 19(b)는 접합 후의 평형상태의 에너지 띠모델을 나타내고 있다. Fig. 19(b)에서 보는 바와 같이 CaAl2Se4:Co의 진공 준위는 4.30 eV, 에너지 띠간격은 3.32 eV이고 Si는 진공 준위는 4.10 eV, 에너지 띠간격은 1.10 eV이며, Si와CaAl2Se4: Co의 가전자대 에너지가 0.48 eV15)이므로 접합후의 평형상태의 에너지 띠 모형에서 공핍영역 구간의 에너지띠의 구배는 불순물농도와 유전비
Vn/Vp=Na.εp/Nd.εn (2)
이다. 식(2)에 의해서 구하면 전도대와 페르미 준위 사이의 에너지 Δn = 0.12 eV이고 , 가전자대와 페르미 준위사이의 에너지 Δp = 0.13 eV이다. 접합 전위16)는
qV0= χp -χn + Eg-(Δn+Δp) (3)
로 주어지며 이식에 의해 구한 접합 전위는 0.47 eV이다.
4. 결 론
(1) 합성된 CaAl2Se4: Co다결정의 결정구조는 orthorhombic 이며, 격자상수 ao=6.3252 Å bo=10.4713 Å 그리고co=10.5271 Å였다. CaAl2Se4 단결정 박막의 X-선 회절 측정 결과, CaAl2Se4 박막은 (004)면으로 성장된 단결정 박막임을 알 수 있었다. CaAl2Se4 단결정 박막의 최적성장조건은 이중 결정 X-선 요동곡선(DCRC)의 반치폭(FWHM) 값이 117 arcsec로 가장 작은 기판의 온도가 440℃, 증발원의 온도가 600℃일 때였다.
(2) CaAl2Se4 단결정 박막의 Hall 효과를 Van der Pauw 방법으로 측정한 결과 상온에서 운반자 농도는 9.98×1016 cm-3, 이동도는 296 cm2/V․sec였다. 또한 Hall 계수가 음의 값이어서 성장된 단결정 박막은 n형 반도체임을 알 수 있었다.
(3) 광흡수 spectra로부터 구한 에너지 띠 갭 Eg(T)는 Varshni equation의
에서 Eg(0)=3.8239 eV, α= 4.9823 × 10-3 eV/K, β= 559 K임을 확인하였다.
(4) 수광 면적이 1 cm2이되도록 만든 이종 접합 태양 전지에 수직하게 80 mW의 광원을 조사하여 개방 전압(Voc)는 0.42 V, 단락 전류 밀도(Jsc)는 25.3 mA/cm2, fill factor는 0.75를 얻어 전력 변환 효율은 9.96% 였다.







against 

against 

against 









and
in the CaAl2Se4 single crystal thin films




