1. 서 론
2. 본 론
2.1 다이오드 동작 상태에 의한 전류・저항 특성
2.2 손상된 바이패스 다이오드가 포함된 PV 모듈 전류식
2.3 손상된 바이패스 다이오드가 있는 PV 모듈의 출력 Simulation 비교
3. 결 론
기호설명
: PV 모듈 단락전류 [A]
: PV 모듈 전류 [A]
: PV 모듈 개방 전압 [V]
: PV 모듈 전압 [V]
: 역포화 전류 [A]
: 태양전지 직렬저항 [Ω]
: 태양전지 병렬저항 [Ω]
: PV 모듈 최대출력 [W]
: 다이오드 전류 [A]
: 다이오드 저항 [Ω]
: 다이오드 이상계수
: 다이오드 열 전압
: 전자의 전하량 [C]
: 볼츠만 상수 [J/K]
: 절대 온도 [K]
: 정상 바이패스 다이오드와 연결된 태양전지의 수
: 손상 바이패스 다이오드와 연결된 태양전지의 수
: 손상된 바이패스 다이오드 개수
1. 서 론
옥외에 설치되는 PV 모듈은 다양한 환경 조건 하에서 약 25~30년 동안 발전하게 된다1)2)3). PV 모듈의 수명을 보장하는 요소 중 Bypass Diode는 음영과 같은 PV 모듈 내 출력 불균일(Mismatching)을 발생시키는 요소들로부터 PV 모듈의 열화(Degradation)와 손실(Loss)을 억제하기 위해 사용된다4)5)6).
하지만 PV 모듈에서 Bypass Diode로 주로 사용되는 쇼트키 다이오드는(Schottky diode)는 역방향 항복전압이 60∼100 V으로 높은 편이지만, Surge와 같은 큰 전압에 의해 쉽게 손상된다7)8). 또한 바이패스 다이오드는 정션박스(Junction box) 내부에 설치되므로, 음영이 반복되어 동작 횟수가 증가하면 열이 외부로 발산하지 못하여 열 폭주(Thermal runaway)현상에 의해 손상될 수 있다9). 바이패스 다이오드가 손상되면 다이오드의 동작 특성을 잃어버리고 미세한 저항을 가진 도체와 같이 변하게 된다. 따라서 바이패스 다이오드 양단에 연결된 스트링이 단락되고, 이러한 원인에 의해 PV 모듈의 출력 감소 및 모듈 내 출력 불균일에 의한 온도 불균일이 발생하게 된다10). 또한 대부분의 PV 시스템은 모듈을 직렬로 연결하여 구성되는데, 모듈 한 장의 바이패스 다이오드가 손상되면 미스매칭에 의해 모듈 1장 이상의 손실이 발생된다11)12).
본 논문에서는 손상된 바이패스 다이오드로 인한 PV 모듈의 전류 흐름 변화와 출력 예측에 관한 연구를 시뮬레이션을 통하여 수행하였다. 실험에 사용된 손상된 바이패스 다이오드는 인위적으로 손상시킨 다이오드이며, 손상된 바이패스 다이오드의 저항 값은 실험을 통한 측정값을 적용하였다. 그리고 손상된 바이패스 다이오드가 있는 PV 모듈의 전기적인 흐름을 이론적으로 접근하여 출력 방정식을 유도하였다. 유도된 출력방정식은 MatLab을 이용하여 시뮬레이션하였고, 솔라 시뮬레이터의 실 측정값과 비교검증하였다.
2. 본 론
2.1 다이오드 동작 상태에 의한 전류・저항 특성
바이패스 다이오드는 정상인 경우, 순 방향 동작 전압과 역방향 항복전압 특성을 이용해 스위칭 동작을 하게 된다. 하지만 손상될 경우 이와 같은 특성이 사라지고 미세한 저항을 가진 도체와 같게 된다. PV 모듈 내 바이패스 다이오드가 손상되면 역방향으로 연결되어 있어 역방향 전류가 흐르게 된다. 아래와 같은 실험에 의하면 바이패스 다이오드 손상 후 역방향으로 전류가 흐를 경우 전류량에 따라 저항 값이 바뀌는 결과가 도출되었다.
다이오드에 흐르는 전류 값의 변화에 의한 저항을 측정하기 위해 R-meter와 Power Supply를 이용하였다. 실험 방법은 다이오드에 순·역방향으로 2 A부터 10 A까지 2 A 간격으로 전류가 흐를 때, 저항을 측정하였다.
Table. 1을 보면 순방향일 경우, 정상 다이오드는 2 A를 제외하고 나머지 전류 값에서 저항 값이 일정하며, 손상된 다이오드는 모든 전류에서 저항 값이 약 0.3Ω으로 일정함을 확인할 수 있다. 하지만 손상된 다이오드가 역방향인 경우 저항은 전류가 증가함에 따라 증가하는 것을 볼 수 있다. 실험값에 의하면 손상된 바이패스 다이오드의 역방향으로 전류가 흐를 때 손실 에너지가 커지게 될 것을 예측할 수 있으며, 이는 다이오드의 발열을 더 크게 할 것이다.
2.2 손상된 바이패스 다이오드가 포함된 PV 모듈 전류식
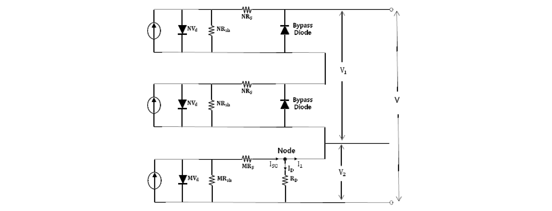
손상된 바이패스 다이오드를 포함하는 PV 모듈 회로는 Fig. 1과 같이 표현할 수 있다. 왼쪽은 PV 모듈 내의 정상 바이패스 다이오드와 연결된 스트링이고, 오른쪽은 손상된 바이패스 다이오드가 연결된 스트링이다. PV 모듈의 전압은 이 두 스트링에서 발생하는 전압과 같고, 손상된 바이패스 다이오드가 있는 스트링의 전류는 내부적으로 순환하게 된다. PV 모듈을 구성하는 태양전지의 출력이 동일하다고 가정하면 손상된 바이패스 다이오드를 포함하는 스트링은 Fig. 2와 같이 표현할 수 있다. 손상된 바이패스 다이오드는 다이오드 특성이 사라지고 미세한 저항을 가지기 때문에 Fig. 2에서 저항
로 표현되었으며,
은 손상된 바이패스 다이오드 연결된 태양전지의 수이다. Fig. 2가 외부적으로 연결되어 있지 않다면, 스트링은 단락된 상태로 볼 수 있으며 스트링을 통해 생성되어 저항
로 흐르는 전류
는 단락전류
로 간주할 수 있다. 위의 요소를 고려하여 60개의 태양전지와 손상된 바이패스 다이오드 1개가 있는 PV 모듈의 전체회로를 등가적으로 표현하면 Fig. 3과 같다.
PV 모듈에서 태양전지는 모두 직렬로 연결되어 있고 연결된 태양전지의 출력이 동일하고 태양전지 연결에 의한 손실이 없다고 가정하면, Node에서 정상 바이패스 다이오드와 연결된 태양전지 방향으로 나가는 전류는
이 된다. 이를 적용하여 Fig. 3의 Node에서 키르히호프 전류 법칙을 적용하면
는 식(1)과 같이 표현할 수 있다.
(1)
모듈의 전체 전압 V는 정상 바이패스 다이오드와 연결된 태양전지에서 발생하는 전압
과 손상된 바이패스 다이오드로 흐르는 전류
와 저항
에 의해 발생하는 전압
의 합으로 표현할 수 있다.
(2)
PV 모듈의 출력 전류
는 광 생성 전류
, 다이오드 전류
, 병렬저항 전류
를 고려하여 식(3)과 같이 표현할 수 있다. 식(1)을 고려하여 식(2)를 정리하면 식(4)로 표현할 수 있고, 이를 다시
로 정리하면, 식(5)로 표현할 수 있다. 여기서
는 다이오드 열 전압을 나타내는 상수이며 식(6)과 같다.
(3)
(4)
(5)
(6)
는 식(4)와 같은 방법으로 구하여 정리하면 식(7)로 표현할 수 있다. 또한, PV 모듈이 단락상태이고, STC 조건이라고 가정하면 광 생성 전류는 PV 모듈의 단락전류와 같고, Fig. 3의
는 PV 모듈의 출력전류
와 같다. 손상된 바이패스 다이오드 개수를 변수
으로 나타내고, 위의 요소를 모두 고려한 PV 모듈의 전류 식은 최종적으로 식(8)로 표현할 수 있다.
(7)
(8)
2.3 손상된 바이패스 다이오드가 있는 PV 모듈의 출력 Simulation 비교
손상된 바이패스 다이오드의 저항
값을 구하기 위해 측정된 I-V 커브와 P-V 커브를 이용하였다. 다이오드로 흐르는 전류
는 PV 모듈이 최대 출력(Pmax)에서 동작한다고 가정한다면, 식(1)를 식(9)와 같이 나타낼 수 있다. 다음으로, Matlab의 Interpolation 함수를 이용하여 2.1에서 측정된 저항 값과 계산된
를 적용하여
를 구하였고, 손상된 바이패스 다이오드 개수에 따른
와
를 Table 2에 정리하였다.
(9)
실험에 사용된 모듈은 60개의 다결정 태양전지와 바이패스 다이오드 3개로 구성되어 있고, 모듈의 출력 특성과 시뮬레이션에 사용된 parameter는 각각 Table 3과 Table 4와 같다.
Table 5 The Simulation parameter of proposed model to calculate the output change of PV module with the number of damaged bypass diode
| |
솔라 시뮬레이터로 측정된 값과 Matlab을 이용하여 시뮬레이션 한 값을 I-V 커브와 P-V 커브로 각각 Fig. 5와 Fig. 6에 나타내었다. 모두 정상 바이패스 다이오드인 경우부터 손상된 바이패스 다이오드 2개까지 순차적으로 실험 및 시뮬레이션을 진행하였다. 손상된 바이패스 다이오드가 3개인 경우는 모듈의 전체 전류가 연결된 태양전지에 의해 제한되지 않기 때문에 고려하지 않았다. 먼저, 손상된 바이패스 다이오드에 의한 모듈의 전압 상승을 고려하여 모듈의 Voc를 비교하였다. 모두 정상 바이패스 다이오드인 경우 측정값은 37.7[V], 시뮬레이션 값은 37.7[V], 손상된 바이패스 다이오드가 1개인 경우 측정값은 25.6[V], 시뮬레이션 값은 25.4[V], 손상된 바이패스 다이오드가 2개인 경우 측정값은 13.4[V], 시뮬레이션 값은 13.3[V]였다. Fig. 5를 보면 측정값과 시뮬레이션 값의 I-V 커브 형태는 거의 일치하며, Voc 부근에서 약 0.1~0.2[V]의 오차가 발생함을 알 수 있다. 다음으로, 손상된 바이패스 다이오드에 의한 모듈의 출력변화를 비교하였다. 모두 정상 바이패스 다이오드인 경우 측정값은 255.37[W], 시뮬레이션 값은 255.16[W], 손상된 바이패스 다이오드가 1개인 경우 측정값은 166.5[W], 시뮬레이션 값은 167.24[W], 손상된 바이패스 다이오드가 2개인 경우 측정값은 83.97[W], 시뮬레이션 값은 83.98[W]였다. Fig. 6을 보면 측정값과 시뮬레이션 값의 P-V 커브 형태는 거의 일치하며, 측정값과 시뮬레이션 값의 모듈 출력 차이는 0.74[W] 이하임을 알 수 있다. 위 실험을 통해 본 논문에서 제안된 수식이 손상된 바이패스 다이오드로 인한 모듈의 출력을 예측하는 데 유효함을 확인하였다.
3. 결 론
본 논문은 손상된 바이패스 다이오드가 있는 PV 모듈의 출력 특성을 예측하기 위해 수식을 유도하고 실제 측정 데이터와 비교하였다. 손상된 바이패스 다이오드는 미세한 저항을 가지며 흐르는 전류량에 따라 저항이 변하고, 이로 인해 PV 모듈의 전압을 미세하게 상승시킴을 확인하였다. 또한 인버터 동작 유무에 의한 손상된 바이패스 다이오드로 흐르는 전류량은 아래와 같이 예측할 수 있다.
(1)인버터가 정상 동작하는 상태에서 PV 모듈 내 손상된 바이패스 다이오드가 있는 경우,
는 MPPT 전류
에 의해 제한되므로 1 A 이하의 미세한 전류가 흐른다고 볼 수 있다.
(2)인버터가 정상 동작하지 않는 상태에서 PV 모듈 내 손상된 바이패스 다이오드가 있는 경우, 스트링 내
가
가 되어 9 A 정도의 큰 전류가 흐른다고 볼 수 있다.
모듈 내 손상된 바이패스 다이오드에 의한 전류의 흐름과 출력 예측에 관한 연구를 진행하였다. 본 논문의 결과는 손상된 바이패스 다이오드에 의해 발생하는 모듈의 전기적 특성 변화 연구에 활용이 가능할 것으로 생각된다.













