기호설명
1. 서 론
2. 공동주택 PV/T 태양열 급탕시스템
3. 급탕부하
4. 시뮬레이션 모델
5. 결과분석
5.1 PV/T 태양열 급탕시스템 에너지 성능평가
5.2 재생에너지시스템 원별 분석
6. 결 론
기호설명
: PV/T 태양열집열기 발전손실계수(W/m2K)
: PV/T 태양열집열기 투과체 면적(m2)
: 입사각 수정인자 계수
: PV/T 태양열집열기의 순간 발전효율
: PV/T 태양열집열기의 순간 열효율
: 태양의존율(%)0
: 입사면 총 일사량(W/m2)
: PV/T 태양열집열기의 급탕 공급에너지(W)
: 보조 보일러 급탕공급에너지(W)
: PV/T 태양열집열기 무손실 발전효율
: PV/T 태양열집열기 무손실 열효율
1. 서 론
태양광 모듈과 태양열 집열기가 단일 구성 요소로 결합된 PV/T 태양열집열기는 높은 신뢰성, 내구성 및 경제성을 갖춘 것으로 평가받고 있으며, 최근 제로에너지건물 보급정책과 맞물려 많은 관심이 집중되고 있다. PVT집열기는 PV와 동일한 설치면적에서 거의 같은 양의 전력과 2배 이상의 열을 동시에 생산 가능한 제품으로, 재생(태양)에너지 설치면적이 제한적인 중·고층(제로에너지)건물에 부합되기 때문이다.
국외의 보급현황을 살펴보면1) 2018 ~ 2019년 평균 증가율은 9%로 2019년 말 기준 전세계 총 누적 설치용량은 606 MWth (열)와 203 MWel (전기)로, 이 가운데 비 투과체형 액체방식이 55%를 차지하였으며 공기방식 및 투과체형 액체방식이 각각 43%와 2%로 나타났다. 이에 반해 1990년 이후 진행된 국내 PV/T 태양열집열기의 개발은 투과체형 공기식과 유체방식이 중심을 이루고 있다2,3,4,5,6,7,8). 최근 국내에서 상용화된 PV/T 태양열집열기9)는 두 시스템(열 및 발전)이 절충되어 저온영역에서 작동되도록 설계된 유체방식으로 공기방식에 비해 높은 효율과 축열에 따른 부하매칭이 용이함에 따라 2025년부터 제로에너지 의무화 대상에 포함된 30가구 이상의 공동주택 시장에 유망한 대안으로 주목받고 있다.
PV/T 태양열(급탕)시스템의 에너지성능에 관한 연구동향을 살펴보면 Kalogirou10)는 5.1 m2의 집열면적을 갖는 강제순환 PV/T 태양열 급탕시스템을 TRNSYS를 통해 모델링하였다. 키프로스 니코시아(Nicosia, Cyprus) 지역의 기상조건에서 일일 온수사용량과 전력소비량을 각각 120 liter와 7.1 kWh로 가정할 때 연간 태양의존율(열생산 기준)과 발전효율은 각각 49%과 7.7%로 나타났다. Kalogirou et al.11)은 3개 지역(Nicosia, Athens, and Madison)의 기상조건에서 자연 및 강제순환 가정용 PV/T 태양열 급탕시스템에 대한 시뮬레이션을 TRNSYS를 통해 수행하였으며, 그 결과 PV/T 시스템에 의해 상당한 양의 열 및 전기 에너지가 생성되고 시스템의 경제성이 향상되는 것으로 나타났다. Dupeyrat et al.12)은 25 m2의 동일한 지붕 면적에서 3가지 시스템(PV 모듈 및 태양열집열기, PV/T 태양열집열기) 조합에 따른 열 및 발전성능을 TRNSYS를 통해 해석하였다. 프랑스 3개 지역(Pari, Lyon, and, Nice) 을 대상으로 시뮬레이션을 실시하였으며, 그 결과 제한된 설치면적에서 PV/T 태양열집열기와 PV 모듈의 조합이 에너지적 관점뿐만 아니라 엑서지(Exergy)와 일차 에너지 절약 측면에서 기존 태양열집열기와 PV 모듈의 조합에 비해 유리한 것으로 분석되었다. Her et al.13)은 비투과체형 액체식 PV/T 태양열 급탕시스템의 열 및 발전성능을 TRNSYS 시뮬레이션을 통해 분석하였다. 3.85 m2의 PV/T 태양열집열기와 500 Liter 태양열축열조를 갖는 기준시스템을 대상으로 PV/T 태양열집열기 면적 및 흡열판 지관갯수, 축열조 설정온도 등 다양한 설계변수에 따른 열 및 발전성능을 해석하고 경제성을 분석하였다. 그 결과 기준 시스템의 경우 하절기의 열 및 발전효율은 각각 43.3%와 12.2%가 되었으며, 동절기에는 각각 29.3%와 13.1%가 되어 열효율은 감소하나 발전효율은 증가하는 것으로 나타났다. 이상의 기존연구 대부분이 가정용 급탕시스템에 한정된 상태로 중․대규모 PV/T 태양열집열기의 적용성 평가가 부족한 실정이다. 따라서 본 연구에서는 중․대규모 공동주택에 적용된 PV/T 태양열 급탕시스템의 동적거동과 에너지성능을 분석하여 향후 제로에너지 공동주택 개발 및 보급과 관련한 기초자료로 제공하고자 한다.
2. 공동주택 PV/T 태양열 급탕시스템
공동주택 단지 내에서 태양광모듈이나 태양열집열기의 설치장소는 대부분 공동주택 옥상 면에 한정되며 Fig. 1의 지붕형태 및 Fig. 2의 코어 유형에 따라 그 면적이 제한된다. 평지붕(Flat roof)과 일면 경사지붕(Shed roof), 박공지붕(Hip), 모임지붕(Gable) 등 순으로 PVT 태양열집열기의 설치면적이 확보되는 가운데, 중심형(Central), 합입형(Consolidated), 부분 합입형, 부분 돌출형, 돌출형(Protruded) 순으로 코어의 음영면적이 감소된다.
Fig. 3은 국내 일반적인 지붕형태인 박공지붕에 부분 돌출형 코어를 갖는 공동주택에서 PV/T 태양열집열기의 배치 사례를 나타낸 것이다. 공급면적 108 m2 (전용면적 84 m2)의 20층 공동주택으로, 코어를 공유하는 2가구 기준 정남향의 지붕 면적은 210 m2로 나타났으며 3 × 25매(총 75매)의 PV/T 태양열집열기가 설치되었다. 여기에 적용된 PV/T 집열기는 선행연구9)를 통해 개발된 투과체를 갖는 평판형 PV/T 집열기로서 서펜타인(Serpentine) 형태의 유로구조를 갖고 있다.
Fig. 4과 Table 1은 열교환기 외장형 밀폐식으로 설계된 PV/T 태양열 급탕시스템의 계통도와 시스템 사양을 나타낸 것이다. 열교환기 및 태양열축열조, 보조보일러 등이 해당 건물의 지하층에 위치한 중앙공급방식으로 태양열에 의해 예열된 시수는 태양열축열조의 상부에서 보조보일러에 의해 승온(축열조 직접가열방식)되어 각 가구에 공급된다. 한편 PV/T 태양열집열기에서 생산된 전력은 계통에 연계되어 부하에 직접 공급되거나 송전된다.
Table 1.
PV/T solar hot water system characteristics
3. 급탕부하
본 연구에서는 국토교통부에서 주관하고 한국감정원에서 관리하는 “공동주택관리정보시스템(이하 K-apt)”을 이용하여 급탕 에너지 사용정보를 조사하였다. 분석대상 공동주택은 K-apt에서 제공하는 서울 소재 공동주택단지 중 1997년에서 2016년까지 준공된 202개 단지를 대상으로 하였다15).
Table 2는 202개 공동주택 단지에서 분석된 가구당 월별 급탕 사용량(서울지역과 동일하게 가정함)을 기반으로 대전지역의 급탕부하을 추정한 것이다. 대전지역 1 m의 월 평균 지중온도를 시수온도로 가정하고 55℃의 급탕공급온도를 기준으로 분석하였다. 일 평균 급탕량과 연간 급탕부하는 각각 149.5 liter와 2,647 kWh로 나타났으며, 가스 보일러로 가정할 때 도시가스 1차에너지 환산계수(1.1) 및 보일러 효율(90%)에 따라 1차 에너지지환산 급탕에너지소요량은 3.219 kWh가 된다. 한편 일일 급탕부하는 Fig. 5과 같은 시간별 부하분포로 가정하였다13).
Table 2.
Monthly hot water load
4. 시뮬레이션 모델
본 연구에서는 PV/T 태양열 급탕시스템의 동적해석을 위한 시뮬레이션 도구로 TRNSYS 17을 사용하였으며 연간 에너지 생산량과 태양의존율, 시스템효율 등을 분석하고 기존 태양열 급탕시스템 및 태양광발전시스템과 비교하였다. 이때 기상자료는 한국표준과학연구원에서 제공하는 대전지역 국가참조표준기상데이터(TMY3 데이터)16)를 사용하였다.
기존 태양열집열기 및 PV 모듈과 동일하게 PV/T 태양열집열기의 순간 열과 발전효율은 다음 선형방정식17)으로 각각 나타낼 수 있으며, 이들 방정식의 각 매개변수는 최소제곱법(Least-squares method)으로 얻게 된다.
여기서, 는 입사각 수정인자로서 다음과 정의된다.
Table 3은 선행연구9)에서 개발된 PV/T 태양열집열기의 부하상태 열 및 발전효율을 정리한 것이다. 여기서 기준 평판형 집열기(Reference flat-plate collector)와 PV 모듈(Reference PV module)은 동일한 설치조건에서 에너지원별 성능평가을 비교 ․ 분석을 위해 제안된 성능기준을 나타낸 것이다.
Table 3.
PV/T solar collector, flat-plate collector and PV module characteristics
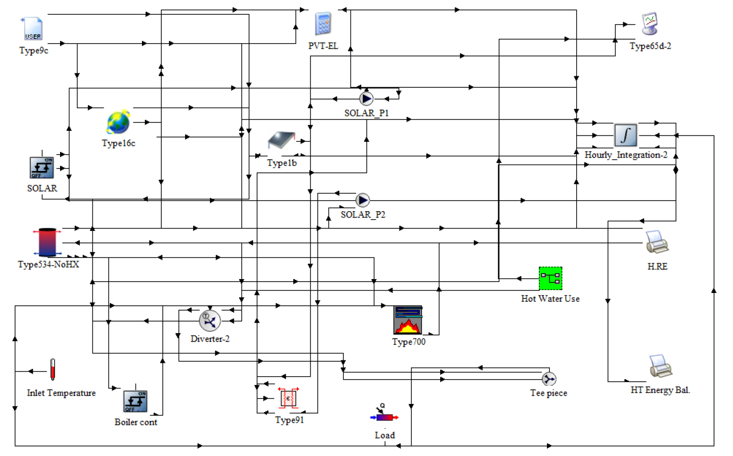
Fig. 6과 Table 4는 TRNSYS 해석모델의 다이어그램과 주요 컴포넌트을 나타낸 것이다. 여기서 식(1)과 식(2)에 따른 PV/T 태양열집열기 열 및 발전성능은 “Solar collector (Type 1)”와 “Equation PV/T-EL”에서 각각 해석된다.
Table 4.
Main components of TRNSYS modeling
급탕공급에 대한 연간 PV/T 태양열 급탕시스템의 자립율은 식(4)의 태양의존율(Solar fraction), 로 평가할 수 있다.
5. 결과분석
5.1 PV/T 태양열 급탕시스템 에너지 성능평가
Fig. 7은 기준 20층 공동주택에서 PV/T 태양열 급탕시스템의 총 열생산량과 발전량, 태양의존율을 나타낸 것이다. 연간 태양열공급열량 및 발전량은 각각 49,694 kWh와 25,798 kWh로, 펌프 소비전력(2,058 kWh)을 제외할 때 연평균 복합(열 및 전기) 태양의존율은 71.6%로 분석되었다. 5월부터 9월까지 태양의존율은 100%를 초과하였으며, 이때 잉여 발전량은 자가 사용하거나 계통 연계되어 이월된다. 이 기간 순수 태양열공급(발전량 제외)에 따른 평균 태양의존율은 79.6%로 나타났으며, 이는 기존 태양열시스템이 갖는 하절기 시스템 과열 우려가 적어지는 것을 의미한다. 한편 1차 에너지로 환산할 경우 복합 태양의존율은 102%가 되어 급탕부하의 완전 자립이 가능할 것으로 예상된다.
Fig. 8은 PV/T 태양열집열기의 열매체 출구온도를 나타낸 것이다. 연간 시스템 작동 최고 온도는 80℃ 이하가 되어 과열발생으로 인한 시스템 고장 우려가 감소하는 것을 다시 한 번 확인할 수 있다.
Fig. 9와 Fig. 10은 동일한 규모의 PV/T 태양열 급탕시스템에서 층수의 변화(총 급탕부하의 증감을 의미함)에 따른 2차 에너지 기준 복합 에너지생산량과 태양의존율을 나타낸 것이다. 15층에서 발전 대 열생산량의 비율이 1 : 1.68로 나타났으며, 40층이 될 때 1 : 2.45로 분석되었다. 발전량이 거의 동일한 상태에서 태양열 공급량이 52%로 증가된 결과로, 이는 급탕부하 증가에 따른 집열효율 상승에 기인한다. 이에 따른 1차 에너지 기준 복합 태양의존율을 살펴보면 20층까지 100% 이상이 가능한 상태에서, 가구 증가에 따라 점차 낮아지고 있으나 선형적 변화를 나타내지 않게 된다.
5.2 재생에너지시스템 원별 분석
Fig. 11과 Fig. 12는 기준 20층에서 동일 면적으로 설치된 기존 태양광발전시스템 및 태양열 급탕시스템의 2차와 1차 에너지생산량을 PV/T 태양열 급탕시스템과 비교한 것이다. 2차 에너지 기준 PV/T 태양열 급탕시스템의 연간 복합 에너지생산량(펌프소비전력 제외)은 75,433 kWh로 태양광발전시스템의 39,200 kWh와 태양열 급탕시스템의 65,142 kWh에 비해 각각 92%와 16%가 증가하였다. 1차 에너지로 환산된 PV/T 태양열 급탕시스템의 연간 복합 에너지생산량은 131,609 kWh로 기존 시스템 대비 증가율은 각각 22%와 32%로 분석되었다. 이와 같은 태양광발전 및 태양열시스템 대비 PV/T 태양열 급탕시스템의 에너지 생산량은 층수가 높아질수록 더욱 증가하게 된다.
Fig. 13은 기준 20층에서 태양열 급탕시스템의 집열기 열매체 출구온도를 나타낸 것이다. 전술한 PV/T 태양열 급탕시스템과 비교할 때 중간기에서 하절기로 갈수록 작동온도가 점차 증가하고 있으며, 6월부터 9월까지 최고 작동 온도는 90℃ 이상이 되어 과열발생 우려가 높아지는 것을 알 수 있다.
6. 결 론
본 연구에서는 20층 공동주택에 적용된 PV/T 태양열급탕시스템에 대한 동적거동과 에너지성능을 분석하였다. 공급면적 108 m2의 공동주택을 대상으로 코어를 공유하는 2가구 기준 정남향 박공지붕에 3 × 25매(총 75매)의 PV/T 태양열집열기와 15.6 ton의 태양열축열조로 강제순환 밀폐형 태양열급탕시스템을 구성하였다. 해석을 위한 시뮬레이션 도구로 TRNSYS 17을 사용하였으며 기상자료는 한국표준연구원에서 제공하는 대전지역 국가참조표준기상데이터를 적용하였다. 연구결과를 요약하면 다음과 같다.
(1) 20층 공동주택에 대한 평균 복합(열 및 전기) 태양의존율은 71.6%로 나타났으며, 1차 에너지로 환산할 때 복합 태양의존율은 102%가 되어 급탕부하의 완전 자립이 가능할 것으로 예상된다.
(2) 연간 시스템 작동 최고 온도는 80℃ 이하가 되어 6월부터 9월까지 90℃를 상회하는 기존 태양열시스템에 비해 하절기 과열로 인한 시스템 고장발생 우려가 크게 감소할 것으로 예상된다.
(3) 동일한 규모의 PV/T 태양열급탕시스템에서 15층에서 발전 대 열생산량의 비율이 1 : 1.68로 나타났으며, 40층이 될 때 1 : 2.45로 분석되었다. 발전량이 거의 동일한 상태에서 태양열 공급량이 52%로 증가된 결과로, 이는 급탕부하 증가에 따른 집열효율 상승에 기인한다.
(4) 20층 공동주택에서 동일 면적으로 설치된 기존 태양광발전시스템 및 태양열급탕시스템 에너지생산량을 PV/T 태양열급탕시스템과 비교하면, PV/T 태양열급탕시스템의 연간 복합 에너지생산량(펌프소비전력 제외)은 75,433 kWh로 태양광발전시스템의 39,200 kWh와 태양열급탕시스템의 65,142 kWh에 비해 각각 92%와 16%가 증가하였다.















