1. 서 론
최근 태양광 모듈의 급속한 보급과 설비가 많아지고 있다. 이로 인한 관리자들의 관리 미흡이나 시공 불량 등의 이유로 화재 및 감전사고가 대두되고 있다. 산업통상자원부가 발표한 자료에 따르면 전체 태양광발전설비 43만622개소 중 최근 5년(2013~2017년) 동안 연평균 50건의 화재가 발생한 것으로 보고하였다. 화재사고의 주요 원인으로는 접속함 결함, 인버터 과열 등 여러 가지 원인이 있으며 특히 태양광모듈 설비 전기관련 화재의 대부분은 접촉불량과 지락사고 등이 주 원인으로 지목되고 있으며 전기사고가 발생하게 되면 열화와 DC전기아크로 인해 화재로 이어진다1). 태양광 발전시스템은 직류전기와 교류 전기를 운영하고 있기 때문에 여러 가지 전기적인 사고를 고려한 보호대책이 요구된다. 대부분의 태양광 발전시스템 구성요소들은 옥외에 설치되고 있으며 외부환경에 노출되어 영향을 받기가 쉬워 소손이 발생할 수 있다. 소손이 되면 시스템의 안전과 절연상태를 약화시켜 단락, 절연파괴 등으로 인체감전과 화재사고를 유발 할 수 있다. 인체 감전사고의 가장 큰 원인인 절연파괴에 대한 보호대책이 강조된다. 태양광 발전시스템의 직류 전기는 사고발생시 아크를 초래할 위험이 높으며 자연적인 소호가 어려운 지속적인 아크로 인해 주변 온도 상승과 화재로 이어질 수 있다1,2). 또한 직류 절연파괴에 의한 인체 감전사고의 위험이 높으며 통전전류로 인한 다수의 인명 사고로 이어질 수 있다. 이러한 사고를 미연에 방지하기 위하여 태양광 발전시스템의 직류 측에서 발생할 수 있는 사고의 종류와 원인을 파악하고 사고 발생 시 대처방안을 마련할 필요가 있다. DC절연파괴의 원인은 모듈 유리파손, 케이블 시공불량, 모듈제조불량에 따른 수분 침투나 모듈 설치 년 경과에 따른 절연저항 저하 등이 있다. DC 절연저항은 시간이 지남에 따라 서서히 파괴되어 단락사고로 발발할 수 있다. 또한 단락사고 발생시 DC 절연파괴가 발생하고 전기적사고로 태양광시스템설비와 인체 감전사고로 더 큰 사고를 불러 올 수 있다. 기존 DC 절연파괴 검출 방식에는 인버터가 동작상태 임에도 불구하고 인버터가 감지 못하는 검출 불감대 영역이 발생한다. 본 연구에서는 DC지락사고에 대한 영향과 DC지락사고에 대한 특성을 분석하기 위해서 시뮬레이션을 실시하고 이를 통해서 인버터가 검출하지 못하는 검출 불감대 영역에 대하여 검출 할 수 있도록 하는 하나의 방법을 제공하여 이를 검증하고자 한다 .
2. 본 론
2.1 기존 직류 지락사고 검출 및 차단방법의 원리
Fig. 1과 같은 기존 직류 지락사고 검출 및 차단방법은 직류 전선로의 P(+)측과 N(-)측 사이에 연결된 분배저항 R1,R2의 공통접속점에 연결되고 내부 저항을 갖는 전류 검출부를 통해 출력되는 출력신호가 항상 양(+)의 값이 되도록 처리하는 절대값 회로부와 회로부의 출력신호와 미리 설정된 지락전류 기준값을 비교하는 비교부, 비교부의 비교 결과에 따라 상기 직류 전선로에 연결되는 전력변환기의 구동을 제어하는 제어부를 포함하여 구성되는 것을 특징으로 하는 직류 전선로 지락검출장치이다3,4,5). 이 방법은 직류전선로의 P(+)측과 N(-)측 사이에 연결된 분배저항 R1,R2의 공통 접속점에 내부 저항을 갖는 전류 검출부를 연결하여, 직류 전선로에서 지락 사고 발생시 간단한 구성으로 지락전류 발생을 검출할 수 있도록 하였으며, 그리고 직류 전선로의 P(+)측 또는 N(-)측에서 지락이 발생하더라도 절대값 회로부에 의해 항상 (+) 영역에서 지락 전류를 기준값과 비교할 수 있어, 전류 방향에 상관없이 손쉽게 지락 사고에 대처할 수 있는 효과가 있다. 그러나 이 방식은 지락전류를 검출하여 지락전류 기준값과 비교하여 지락발생 유무를 판별하고 있기 때문에 지락전류 검출에 있어 계절적인 요인과 주변 환경요인에 의해 지락전류 검출의 어려움이 있고 직렬연결 되어 있는 태양광 전지 모듈 사이의 지락 사고 지점을 검출 할 수 없다는 단점이 있다. 또한 보편적으로 직류 지락사고 검출 방법은 분배저항을 통한 전류 감시를 기본으로 한다6,7).
Fig. 2와 같은 방식에서는 분배저항 대신 분배커패시터를 이용한 직류 지락사고 검출 및 차단방법을 보여준다8). 기존 분배저항을 사용하지 않는 이유는 분배저항을 통한 전류의 감시는 전력손실이라는 문제점을 가지고 있고 또한 지락사고저항이 높을수록 낮은 누설 전류가 흐르기 때문에 검출 불감대가 형성 될 수 있다. 따라서 기존 직류 지락사고 검출방법과 분배 커패시터 방식의 직류 지락사고 검출방법의 타당성을 검증하고 직류 전압원과 저항부하로 구성된 직류 회로의 정상운전 상태에서 분배저항에 의해 손실되는 전력량을 확인하였고 분배 커패시터에서 전력손실이 발생하지 않는 것도 확인 하였으며 이 방식에서 분배커패시터를 이용한 직류 지락사고 검출 및 전력용 반도체 스위치를 이용한 회로 차단방법의 최적화된 실험을 보여준다.
본 연구에서는 기존 직류 지락사고 검출 방법과 같이 분배저항을 통한 전류 감시를 보여준다. 기존 직류 지락사고 검출 의 문제점은 지락사고시 고장점의 위치를 찾을 수 없고 분배저항 외에도 검출부, 절대값 회로부, 내부저항 등 부가적인 요소들이 들어가 복잡한 회로를 구성한다. 또한 분배커패시터 대신 전력손실 발생하는 분배저항을 사용하는 이유는 전기설비기준에 의한 절연저항 1 M옴 이상 사용 시 절연상태라고 한다. 또한 지락차단장치 규경(IEC 60364-7-712)에 따르면 어레이 정격 20 KW일 때 최소 절연저항 30 K옴을 기준으로 한다9). 따라서 절연저항의 크기가 크므로 손실되는 전력은 무시해도 되는 정도의 크기이며, 절연저항의 크기가 크므로 지락저항의 크기는 0에 수렴한다. 그러므로 본 연구는 분배 커패시터가 아닌 분배저항을 사용하여 실험을 진행 하였다. 또한 기존 직류 지락사고 검출 방법과 분배커패시터를 사용한 직류 지락사고 검출 방법의 가장 큰 문제점은 분배저항 중심(가운데)에서 지락사고가 발생 시 정상상태와 동일한 상태를 보이므로 인버터에서 지락사고를 검출하지 못해 차단이 되지 않는다. 또한 지락사고가 발생하여서 이를 방치하면 화재나 감전으로의 큰 2차사고가 발생 할 수 있다. 본 연구에서는 이러한 문제점을 보완하고자 DC 절연파괴 시뮬레이션 검출 방법을 제안한다.
2.2 시뮬레이션을 통한 DC 절연파괴사고 검출
실험 시뮬레이션을 위한 모듈의 구성은 총 6장의 모듈과 모듈의 용량 일사량: 온도:C, , , (+)단과 접지 사이, (-)각각 30 k을 사용하였다. 분배저항을 30 k으로 한 이유는 지락차단장치 규격(IEC 60364-7-712)에 따른 어레이 정격(kW) 20 kW 당 최소 절연저항값 30 k을 기준으로 한다. 따라서 본 연구에서도 지락차단장치 규격의 기준을 따라 절연저항 30 k을 사용하였다. 또한 (+)측 과 (-)측 사이를 접지시켜 절연저항 30 k 각각 사용하여 절연상태에서 전류를 측정하기 위해 전류계를 사용하고, 절연저항에 걸린 전압을 측정하기 위해 전압계를 각각 (+),(-) 방향에 맞춰서 설치하였다. 본 시뮬레이션을 통해 모듈 6장의 각 지점에 발생하는 DC 절연파괴 사고 검출을 하기 위해 모듈 1개당 전압원으로 가정하여 6:0, 5:1, 4:2, 3:3 ,정상상태로 전압원의 비율에 따라 전류와 전압을 시뮬레이션을 통해 측정해서 나온 측정값을 비교하여 DC 절연파괴사고를 검출하는 방법을 제안한다.
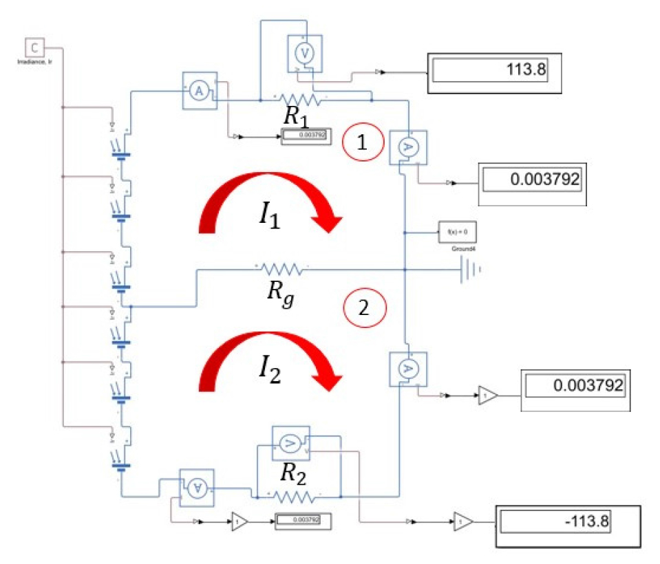
Fig. 3과 같이 전압원의 비율 3:3일 때를 시뮬레이션을 통해 DC 절연파괴 사고 검출 상태를 보여준다. 또한 이 3:3비율을 기준으로 하는 이유는 위에 언급된 기존 연구가 된 지락사고 시 전류 검출 방법의 문제점인 분배저항 중간(가운데) 지점에서는 지락사고가 발생하여도 인버터에서 검출을 하지 못하고 정상상태로 인식을 하여 정상 상태와 동일한 값을 가지므로 검출을 하지 못하기 때문에 화재사고나 인체 감전사고와 같이 더 큰 2차 사고로 이어질 수 있다. 3:3 비율을 식으로 나타내면 다음과 같다. =지락저항이다. 지락저항의 값은 1 으로 기준으로 하였다. 그 이유는 상대적으로 양 끝단의 절연저항의 값이 크기 때문에 DC 절연파괴 사고 상황만을 만들어주기 위해서 지락저항 값을 1 으로 설정하였다.
따라서 3:3 비율을 기준으로 다른 전압원의 비율 6:0, 5:1, 4:2의 시뮬레이션 측정값을 다음과 같이 제안한다.
Table 1의 표와 같이 시뮬레이션을 통한 전압원의 비율에 따른 DC 절연파괴 사고 검출 방법으로 DC 절연파괴 사고가 발생하였을 때 모듈의 용량과 온도, 일사량, 절연저항 값을 시뮬레이션 값에 입력하여 전압원에 비율에 따른 전압과 전류를 측정하여 비교하면 절연파괴가 발생 시 어느 지점에서 발생한 사고인지 검출 할 수 있다.
Table 1.
DC insulation breakdown accident detection method according to voltage source ratio through simulation
Fig. 4는 정상 운전 상태에서 개방 스위치를 설치하여 개방 상태에서는 전류가 흐르지 않는다. Fig. 5에서는 어레이 중앙부에 지락이 된 상태의 시뮬레이션 회로도이다. 아래의 개방 스위치가 개방이 되면 아래쪽 회로는 개방 상태가 되어 폐회로가 형성 된다. 폐회로가 형성 되면 이와 같이 전류가 흐르지 않는다. 이를 통해 정상 상태와 어레이 중앙부에 지락사고가 발생한 전류, 전압 측정값을 비교한 표는 다음과 같다.
Table 2에 의해 기존 직류 지락사고 검출 방법에서의 문제점인 어레이 중앙부에서 지락사고가 발생 하였을 때 정상상태와 동일한 값이 측정이 되고 인버터에서 검출하지 못하는 검출 불감대 영역이 발생하는 것을 정상 상태와 어레이 중앙부에서 DC 절연파괴 사고가 일어났을 때 각각 개방 스위치를 설치하여 시뮬레이션을 통해 측정한 결과 정상상태에서는 흐르지 않는 전류가 어레이 중앙부에 지락사고가 발생한 위에 회로에서는 전류, 전압 값이 측정이 되었기 때문에 DC 절연파괴 사고가 발생하였다는 것을 확인하였다.
Table 2.
Detect DC insulation breakdown after installing an open switch through simulation
3. 실험 결과 및 고찰
기존 직류 지락사고 검출 방법에서는 DC 절연파괴 사고 시 고장점의 위치도 쉽게 알지 못하였고, 인버터에서 검출 불감 영역이 발생하였고, 이는 정상상태와 동일 값이 측정됨과 동시에 2차사고로 이어질 수 있는 큰 문제점을 가지고 있었다. 인버터에서 검출 불감 영역이 발생하는 이유는 전류가 발생하려면 전류는 전위가 높은 곳에서 낮은 쪽으로 전자가 이동하기 때문에 발생하는 전기의 흐름이다. 따라서 전류가 흐르는 원인은 전위차가 발생하기 때문이며 전류 감시가 가능한 선로에서 전압 감시가 가능하기 때문에 DC절연파괴 사고시 회로에서 사고지점 과 전압 분배지점의 전압 차를 해석하여 DC 절연파괴 사고를 검출 할 수 있다. 인버터에서 검출하지 못하는 검출 불감 영역은 어레이 중앙부에서 전위차가 발생하지 않아 정상상태와 같은 값이 측정 되므로 본 연구에서는 이를 해결하고자 모듈 1장당 전압원으로 가정하여 정상상태와 어레이 중앙부 지락사고 상태에 개방 스위치를 사용하여 정상 상태에서는 흐르지 않는 전류가 어레이 중앙부 지락사고 상태에서의 위, 아래 회로에서 위쪽 회로에만 전류와 전압이 측정 되는 것을 알 수 있듯이 개방 스위치를 사용함으로써 인버터에서 검출하지 못한 영역을 검출하였다.
4. 결 론
기존 많은 연구가 이루어졌던 DC 절연파괴 사고 검출 방식에서 불검출 영역이 발생하는 위치는 인버터에서 검출하지 못하는 어레이 중앙부에서 발생하였다. 이는 인버터에서 정상상태와 동일하게 인식하여 DC 절연파괴 사고가 일어났음에도 검출하지 못하는 기존 연구 방식의 문제점에 대하여 시뮬레이션을 통한 정상상태와 어레이 중앙부 지락사고 상태에 각각 개방 스위치를 설치하여 DC 절연파괴 사고가 발생하였는지를 판별 하였으며, 본 연구의 결론은 다음과 같다.
(1)각 전압원의 고장점 위치비율을 통해 DC 절연파괴 사고 검출 방식으로 시뮬레이션을 측정하였다. 또한 고장점의 위치 비율이 반대로 되어도 전압 전류의 크기만 반대로 측정되는 것을 확인하였다. 따라서 고장점의 위치가 DC 어레이에서 발견이 되면 이 비율을 통해서 사고지점을 예측 할 수 있다.
(2)고장점의 위치가 어레이 중앙부에 발생하였을 때 위, 아래 회로에 같은 값이 측정된다. 이때 아래쪽 회로 절연저항 옆에 개방 스위치를 달아주면 위쪽 회로는 정상적인 전류와 전압이 측정되지만 아래쪽 회로에서는 전류와 전압이 측정 되지 않는다. 따라서 위쪽 회로와 아래쪽 회로의 차이를 보여주면서 DC 절연파괴 사고가 검출이 되었음을 확인하였다. 또한 정상상태에서도 개방 스위치를 설치해 전류, 전압이 측정 되지 않는 것을 확인하였음으로 정상상태와 어레이 중앙부 지락사고 상태의 차이를 보여줌으로써 기존 방식의 DC 절연파괴사고 검출 방법의 문제점을 해결하였다.
(3)위와 같은 결과로 추후 시뮬레이션과 비교하여 직접 실험을 통해 결과를 도출할 예정이고, 더 나아가 시뮬레이션을 통해 2선지락 사고가 일어났을 때와 이중 지락이 발생하였을 때를 정상 상태와 비교하여 측정을 할 예정이다.







