1. 서 론
전 세계적으로 환경문제, 원유가 상승, 자원 고갈 등으로 신재생 에너지에 대한 관심이 대두되고 있으며, 전력회사 뿐만 아니라 소규모 수용가들도 신재생 에너지 확대 보급에 참여하고 있다. 2018년 국내 태양광 설치 증가량은 약 2GW가 설치되어 누적 실치량은 7.9 GW로, 현재 태양광 에너지는 단순한 신재생 에너지원을 넘어 금융 및 은행과 결합된 투자자원으로 변화되어 그 가치는 더 상승할 것으로 예측된다. 태양광 에너지는 초기 설치 후 약 20년간 연간 출력저하율(0.7 ~ 0.8 %/Year)로 전기를 판매하여 수익을 얻는 구조이다. 하지만 특정 모듈에 고장이 발생하여 출력이 저하된 상태로 운전될 경우 수익을 보장할 수 없게 된다. 태양광 발전의 수익을 유지하기 위해 태양광 모듈 점검이나 접속함 점검, 잡초 제거 등 사후조치 위주로 유지보수가 이루어지고 있지만, 유지보수를 위한 진단기기는 부족한 실정이다4,5). 이러한 문제를 개선하고자 접속함 단위로 측정하여 태양광 모듈의 문제를 진단3)하는 다채널 태양광 I-V측정 및 고장진단기기를 개발이 진행되고 있다1,2). 본 연구에서는 태양광 패널 고장 진단기기의 개발 수행과정에서 태양광 패널 고장 진단기기의 진단 정밀도 향상을 하고자 아날로그 저역통과6) 필터와 디지털 저역통과 필터의 적용하여, 측정기기의 ADC (Anal og to Digital Converter) 노이즈 저감기술의 연구를 수행한 결과를 제시한다.
2. 다채널 태양광 I-V 측정 방법
태양광 모듈을 진단하는 방법으로 I-V곡선을 비교하여 태양광 최대 출력점을 비교하여 진단할 수 있으며, 모듈 간 전기적 특성 차이의 원인으로 제조공정, 모듈 간 고도 각 차이, 모듈음영, Hotspot, PID 등이 있다.
2.1 태양광 I-V 측정 방법
태양광 I-V를 측정하는 대표적인 방법은 가변저항 부하를 이용하는 방법과 커패시터를 이용하는 방법 두 가지가 존재한다. 가변저항 부하를 이용하는 방법 I-V 어레이 장치는 Fig. 1과 같이 가병저항을 최대(∞Ω)로 조정하여 개방전압 지점부터 측정을 시작하여 전류가 단락전류(0Ω)가 되는 지점까지 측정하는 방법과 단락전류(0Ω)로부터 개방전압(∞Ω)까지 측정하는 방법이 있다. 하지만 가변저항을 이용한 측정방법의 경우 측정대상 태양광 모듈의 용량을 고려하였을 경우 가변저항의 용량이 커지게 되어 부피가 매우 커질 수 있으므로 휴대용 제품에서는 일반적으로 사용되지 않는다.
커패시터를 이용한 방법은 Fig. 2와 같이 커패시터의 충‧방전 특성을 이용하여 측정한다. Fig. 2와 같이 커패시터는 두 개의 전극과 사이 얇은 유전체로 구성되어 있다. 한 쪽 전극에 DC 전압을 걸어주면 태양광 모듈과 커패시터가 전압이 평행이 될 때까지 축적이 된다. 평행이 되면 전기가 통하지 않게 되어, 충전이 완료된다. 커패시터의 용량에 따라 충방전 시간이 달라지며, I-V곡선의 측정 시간을 줄이기 위해서 DC1100 V, 40 uF의 커패시터를 병렬로 3개를 연결하여, 작은 커패시터를 사용하기 위해서 측정 샘플링 속도를 500 kS/s로 설계를 하였다. 이러한 특징을 이용하여 고속 ADC 샘플링을 이용하여 다채널의 태양광 어레이의 성능을 진단할 수 있다.
3. ADC Noise Filter에 따른 출력 특성 연구
측정기기의 정밀도를 높이기 위해서는 측정기기의 SNR (Signal to Noise Ratio)을 낮추어야 한다. 또한 정밀정확도가 더 높은 교정용 표준기의 신호를 측정기기로 측정한 결과를 비교하고, 오차를 보상하여 측정기기의 측정결과를 교정하는 절차를 통하여 정밀도를 높일 수 있다. 그리고 측정기기의 교정절차는 측정결과를 일정하게 보존하기 위하여 일정한 온도와 습도, 전원 조건에서 수행이 이루어지게 된다. 하지만 일반적으로 태양광 발전소는 야외에 접속함이 배치되어 있다. 야외에서 측정할 경우 다양한 환경적인 요소와 전원적인 요소로 인하여 측정결과에 다양한 노이즈가 발생하게 되며, I-V 곡선에 변형이 발생하여, 진단결과에 오차가 발생하게 된다. 또한, 노이즈 저감을 위하여 저역통과필터의 대역 주파수를 너무 낮게 설정할 경우 커패시터 부하에 충전되는 측정신호를 필터링 하게 되어 측정신호가 변형되는 결과를 초래하게 되어 최적의 저역통과필터를 선정하는 것이 중요하다.
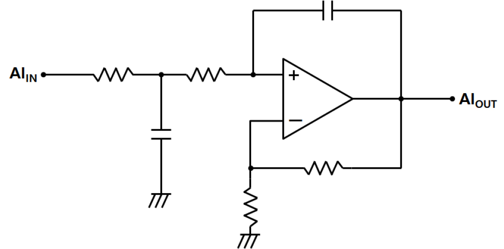
본 연구에서는 태양광 패널 고장 진단기기의 외부노이즈를 차단하여 진단 정밀도를 높이면서, 측정결과의 왜곡을 주지 않는 필터를 적용하기 위하여 Fig. 3과 같이 절연회로와 아날로그 필터, 디지털필터를 구성하여 실험을 진행하였다. 아날로그 저역통과필터는 Fig. 4와 같이 2차 버터워스 필터를 설계하여 적용하여 실험을 진행하였으며, 디지털 필터는 Fig. 5와 같이 4차 IIR 필터를 적용하여 실험을 진행하였다.
3.1 실험 결과
(1) 아날로그 필터 실험 결과
본 연구에서 개발한 태양광 패널 고장진단기기의 노이즈 저감 성능을 검증하기 위하여 Fig. 6과 같이 태양광 어레이에 연결하여 실험을 진행하고 결과를 비교하였다. Fig. 7과 같이 실험 결과 Fig. 7(d)의 10kHz 저역통과필터 적용 시 측정결과가 가장 노이즈가 작게 측정되었지만, 스위치 개방시 돌입전류가 필터링되어 측정결과의 왜곡이 발생하였으며, 100 kHz일 경우 I-V 곡선의 왜곡은 작아졌으나 노이즈가 일부 남아있는 것을 확인하였다. 하지만 ADC 이후 4차 IIR 필터를 고려하여 아날로그 필터를 100 kHz 필터로 적용하여 디지털 필터 적용 실험을 수행하였다.
(2) 디지털 필터 실험 결과
Fig. 7(b)의 아날로그 측정결과에 디지털 필터 적용 결과 아날로그 필터 적용 시와 동일하게 디지털 필터의 대역폭이 낮아질수록 돌입전류가 낮아지며 신호의 왜곡이 발생하였지만, 비교적 낮은 주파수 대역폭으로 적용이 가능한 것을 확인하였다. 또한 Fig. 8(d)와 같이 10 kHz IIR 필터를 적용할 경우 돌입전류 이후 측정결과에 댐핑현상이 발생하는 것을 확인이 되었으며, 이 결과 Fig. 8(b)의 50 kHz IIR 필터를 사용하는 것이 가장 적절한 것을 확인하였다.
4. 결 론
커패시터 부하를 이용한 태양광 패널 고장 진단기기의 진단 정밀도를 높이기 위해서 측정기기에 저역통과필터를 이용하는 방안에 대한 연구를 진행하였으며, 그 결론은 다음과 같다.
(1)기존 가변 저항 부하 측정기법의 단점을 극복하기 위하여 커패시터를 이용하여 I-V곡선 측정이 가능하도록 회로를 구성하였다.
(2)커패시터를 소형화하여 고속 ADC 샘플링을 할 경우 Noise에 취약한 문제를 해결하기 위해 아날로그 필터는 2차 버터워스 필터를 적용하였으며, 디지털 필터는 4차 IIR 필터를 적용하여 I-V커브의 오차를 감소시켜 정밀도가 향상하는 것을 확인하였다.
(3)아날로그 필터와 디지털 필터를 동시에 적용하여 태양광 진단기기의 정밀도를 향상시키기 위한 최적 설계값을 적용시킨 태양광 패널 고장 진단기기를 개발하였다.










